在高负载下具有出色的耐用性,
可进行高扭矩传输的行星减速机
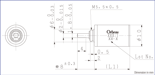
※尺寸表示的是将输出轴顶住马达本体后测量的尺寸
SPG10 一般规格
| 减速机 SPG10 | |
|---|---|
| 运行温度范围[℃] | -10~+60 |
| 无负载状态下,每阶齿隙[°] | ≦1 |
| 输出轴处轴承 | 烧结套筒轴承 |
| 输出轴最大径向负载(在距输出轴前端基准面2mm处)[N] | 3.0 |
| 输出轴最大轴向负载重[N] | 1 |
| 输出轴轴向最大静负载[N] | 20 |
| 输出轴径向游隙[mm] | ≦0.03 |
| 输出轴轴向游隙[mm] | ≦0.3 |
※SPG10是直径为10mm的齿轮头
规格基于阶数
| 减速比 | 3.6 | 4.7 | 13 | 22 | 47※ | 61 | 80※ | 105 | 168※ | 220※ | 288 | 377※ | 494 |
|---|---|---|---|---|---|---|---|---|---|---|---|---|---|
| 減速比(絶対値) | 3.60:1 | 4.70:1 | 12.96:1 | 22.22:1 | 46.66:1 | 61.10:1 | 80.01:1 | 104.77:1 | 167.96:1 | 219.95:1 | 288.03:1 | 377.18:1 | 493.93:1 |
| 阶数 | 1 | 1 | 2 | 2 | 3 | 3 | 3 | 3 | 4 | 4 | 4 | 4 | 4 |
| 效率[%] | 85 | 85 | 72 | 72 | 61 | 61 | 61 | 61 | 52 | 52 | 52 | 52 | 52 |
| 最大允许扭矩(连续)[mNm] | 50 | 50 | 50 | 50 | 50 | 50 | 50 | 50 | 50 | 50 | 50 | 50 | 50 |
| 最大允许扭矩(断续)[mNm] | 100 | 100 | 100 | 100 | 100 | 100 | 100 | 100 | 100 | 100 | 100 | 100 | 100 |
| 旋转方向 | = | = | = | = | = | = | = | = | = | = | = | = | = |
| 减速机长度[mm] | 10.5 | 10.5 | 13.5 | 13.5 | 16.5 | 16.5 | 16.5 | 16.5 | 19.6 | 19.6 | 19.6 | 19.6 | 19.6 |
| 重量[g] | 5.8 | 5.8 | 7.1 | 7.1 | 8.4 | 8.4 | 8.4 | 8.4 | 9.7 | 9.7 | 9.7 | 9.7 | 9.7 |
※非标准齿轮
可配置马达
| 马达类型 | 减速马达型号 |
|---|---|
| 空心杯有刷马达 | CMS10-13XXPYY |
| CMS10-18XXPYY | |
| C4S10-13XXPYY | |
| C4S10-19XXPYY | |
| 空心杯无刷马达 | BMS10-10XXPYY |
| BMS10-18XXPYY |
订购时的型号名称
CMS10-1306 + SPG10-3.6(3.60:1)的组合 → CMS10-1306P3.6
BMS10-1003 + SPG10-494(493.93:1)的组合 → BMS10-1003P494
