带霍尔传感器・套筒轴承
| 减速机 | |||
|---|---|---|---|
| SSG10 | SPG10 | - | - |
| 无刷马达 | |
|---|---|
| BMS10-1803 | BMS10-1806 |
| - | - |
| 编码器 | |
|---|---|
| ETD10 | - |
| 驱动板 | |
|---|---|
| SHSD24-01A | PSV24-05E |
| - | - |
带霍尔传感器
烧结套筒轴承
Nd-Fe-B
磁铁
磁铁
BMS10-18 技术参数
| BMS10-1803 | BMS10-1806 | |
|---|---|---|
| 额定电压[V] | 7.4 | 12 |
| 无负载转速[rpm] | 31,300 | 32,500 |
| 无负载电流[mA] | 63 | 68 |
| 堵转扭矩[mNm] | 4.54 | 5.24 |
| 堵转电流[mA] | 2,136 | 1,621 |
| 最大出力[W] | 4.5 | 5.2 |
| 最大效率[%] | 69 | 63 |
| 端子间电阻[Ω] | 2.99 | 6.38 |
| 额定扭矩[mNm] | 0.65 | 0.75 |
| 额定转速[rpm] | 26,829 | 27,857 |
| 额定电流[mA] | 359 | 290 |
| 空载损耗转矩[mNm] | 0.14 | 0.23 |
| 反电动势常数[mV/rpm] | 0.229 | 0.354 |
| 扭矩常数[mNm/A] | 2.19 | 3.38 |
| 转数/扭矩斜率[rpm/mNm] | 5,949 | 5,343 |
| 機械时间常数[ms] | 3.87 | 3.48 |
| 转子转动惯量[gcm2] | 0.06 | 0.06 |
| 最大允许扭矩[mNm] | 1.51 | 1.75 |
| 电感[mH] @1kHz | 0.054 | 0.115 |
| 热阻 Rth1(线圈-壳体间)[K/W] | TBD | TBD |
| 热阻 Rth2(壳体-外界空气间)[K/W] | TBD | TBD |
| 输出轴径向游隙[mm] | 0.05 | |
| 输出轴轴向游隙[mm] | 0.02~0.2 | |
| 输出轴最大径向负载[N] | 0.5(3.2mm ※1) | |
| 输出轴最大轴向负载[N] | 0.15 | |
| 静止状态下输出轴最大轴向负载[N] | 7.8 | |
| 运行温度范围[℃] | -20~+80 | |
| 绕组最高温度[℃] | 90 | |
| 重量[g] | 8.8 | |
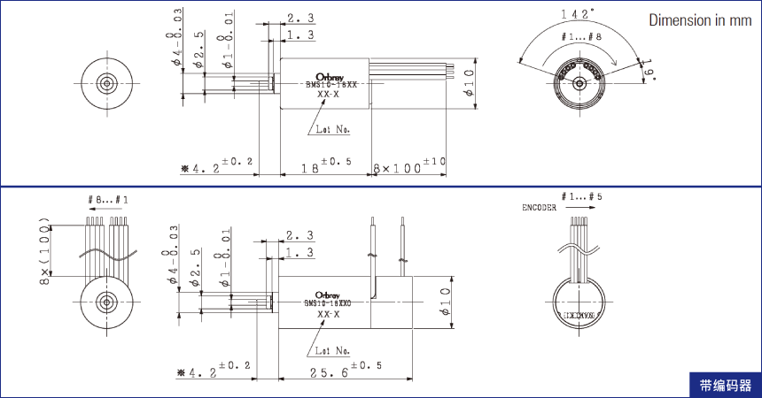
※1 尺寸从马达法兰面开始测量。
FPC配置
| BMS10-1803 / BMS10-1806 | ||
|---|---|---|
| #1 | W | 马达绕组 W |
| #2 | V | 马达绕组 V |
| #3 | Hu | 霍尔传感器输出 U |
| #4 | Hw | 霍尔传感器输出 W |
| #5 | Hv | 霍尔传感器输出 V |
| #6 | U | 马达绕组 U |
| #7 | Gnd | GND |
| #8 | Vdd | 输入电压 3.0V(1.6~5.5V) |
特性图
