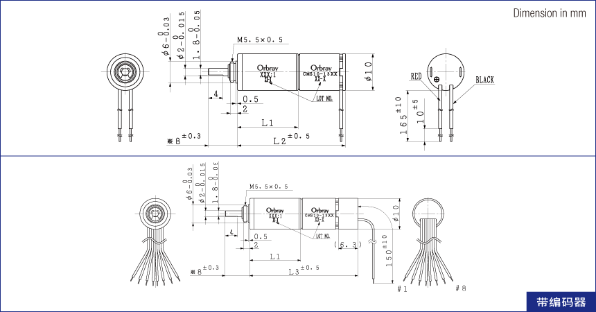
在高负载下具有出色的耐用性,可进行高扭矩传输的行星减速机SPG10和有刷马达CMS10-13XX的组合。
SPG10 行星减速机+ CMS10-13XX (通用规格组合)
| 减速比 | 3.6 | 4.7 | 13 | 22 | 47※ | 61 | 80※ | 105 | 168※ | 220※ | 288 | 377※ | 494 |
|---|---|---|---|---|---|---|---|---|---|---|---|---|---|
| 减速比(绝对值) | 3.60:1 | 4.70:1 | 12.96:1 | 22.22:1 | 46.66:1 | 61.10:1 | 80.01:1 | 104.77:1 | 167.96:1 | 219.95:1 | 288.03:1 | 377.18:1 | 493.93:1 |
| 阶数 | 1 | 1 | 2 | 2 | 3 | 3 | 3 | 3 | 4 | 4 | 4 | 4 | 4 |
| 效率 | 85 | 85 | 72 | 72 | 61 | 61 | 61 | 61 | 52 | 52 | 52 | 52 | 52 |
| 旋转方向 | = | = | = | = | = | = | = | = | = | = | = | = | = |
| 长度[mm] (马达+减速机=L2) |
23.4 | 23.4 | 26.4 | 26.4 | 29.4 | 29.4 | 29.4 | 29.4 | 32.5 | 32.5 | 32.5 | 32.5 | 32.5 |
| 长度[mm] (马达+减速机+编码器=L3) |
29 | 29 | 32 | 32 | 35 | 35 | 35 | 35 | 38.1 | 38.1 | 38.1 | 38.1 | 38.1 |
| 重量[g] (马达+减速机) |
10.7 | 10.7 | 12 | 12 | 13.3 | 13.3 | 13.3 | 13.3 | 14.6 | 14.6 | 14.6 | 14.6 | 14.6 |
| 最大允许扭矩(连续)[mNm] | 50 | ||||||||||||
| 最大允许扭矩(断续)[mNm] | 100 | ||||||||||||
CMS10-1306P 额定电压: 3.7V
| 减速比 | 3.6 | 4.7 | 13 | 22 | 47※ | 61 | 80※ | 105 | 168※ | 220※ | 288 | 377※ | 494 |
|---|---|---|---|---|---|---|---|---|---|---|---|---|---|
| 额定扭矩[mNm] | 0.4 | 0.5 | 1 | 2 | 4 | 5 | 7 | 9 | 12 | 15 | 20 | 26 | 34 |
| 额定转速[rpm] | 4,080 | 3,340 | 1,133 | 661 | 331 | 253 | 173 | 132 | 87 | 67 | 51 | 41 | 31 |
| 无负载转速[rpm] | 5,020 | 4,060 | 1,390 | 813 | 403 | 308 | 215 | 164 | 108 | 82 | 63 | 50 | 38 |
| 无负载电流[mA] | 124 | 98 | 124 | 124 | 105 | 105 | 146 | 146 | 124 | 124 | 124 | 105 | 105 |
| 堵转扭矩[mNm] | 2 | 3 | 7 | 11 | 21 | 28 | 33 | 44 | 63 | 82 | 107 | 147 | 192 |
| 堵转电流[mA] | 587 | 587 | 587 | 587 | 587 | 587 | 587 | 587 | 587 | 587 | 587 | 587 | 587 |
CMS10-1321P 额定电压: 7.4V
| 减速比 | 3.6 | 4.7 | 13 | 22 | 47※ | 61 | 80※ | 105 | 168※ | 220※ | 288 | 377※ | 494 |
|---|---|---|---|---|---|---|---|---|---|---|---|---|---|
| 额定扭矩[mNm] | 0.5 | 0.7 | 2 | 3 | 5 | 7 | 9 | 11 | 16 | 20 | 27 | 35 | 46 |
| 额定转速[rpm] | 4,070 | 3,420 | 1,130 | 660 | 337 | 258 | 168 | 128 | 87 | 67 | 51 | 42 | 32 |
| 无负载转速数[rpm] | 5,740 | 4,700 | 1,600 | 930 | 466 | 356 | 243 | 186 | 123 | 94 | 72 | 58 | 44 |
| 无负载电流[mA] | 104 | 87 | 104 | 104 | 91 | 91 | 119 | 119 | 104 | 104 | 104 | 91 | 91 |
| 堵转扭矩[mNm] | 2 | 3 | 6 | 10 | 18 | 24 | 28 | 37 | 54 | 70 | 92 | 127 | 166 |
| 堵转电流[mA] | 357 | 357 | 357 | 357 | 357 | 357 | 357 | 357 | 357 | 357 | 357 | 357 | 357 |
CMS10-1349P 额定电压: 12V
| 减速比 | 3.6 | 4.7 | 13 | 22 | 47※ | 61 | 80※ | 105 | 168※ | 220※ | 288 | 377※ | 494 |
|---|---|---|---|---|---|---|---|---|---|---|---|---|---|
| 额定扭矩[mNm] | 0.6 | 0.8 | 2 | 3 | 5 | 7 | 9 | 12 | 16 | 22 | 28 | 37 | 48 |
| 额定转速[rpm] | 4,390 | 3,650 | 1,220 | 712 | 361 | 276 | 183 | 139 | 94 | 72 | 55 | 45 | 34 |
| 无负载转速[rpm] | 6,000 | 4,880 | 1,670 | 973 | 485 | 371 | 255 | 195 | 129 | 98 | 75 | 60 | 46 |
| 无负载电流[mA] | 66 | 55 | 66 | 66 | 57 | 57 | 76 | 76 | 66 | 66 | 66 | 57 | 57 |
| 堵转扭矩[mNm] | 2 | 3 | 7 | 11 | 21 | 28 | 32 | 43 | 61 | 80 | 105 | 144 | 189 |
| 堵转电流[mA] | 246 | 246 | 246 | 246 | 246 | 246 | 246 | 246 | 246 | 246 | 246 | 246 | 246 |
※非标准齿轮
订购时的型号名称
CMS10-1306 + SPG10-4.7(4.70:1) 的组合 → CMS10-1306P4.7
