在高负载下具有出色的耐用性,可进行高扭矩传输的行星减速机SPG10和无刷马达BMS10-10XX的组合。
SPG10行星减速机+ BMS10-10XX (通用规格组合)
| 减速比 | 3.6 | 4.7 | 13 | 22 | 47※ | 61 | 80※ | 105 | 168※ | 220※ | 288 | 377※ | 494 |
|---|---|---|---|---|---|---|---|---|---|---|---|---|---|
| 减速比(绝对值) | 3.60:1 | 4.71:1 | 12.96:1 | 22.22:1 | 46.66:1 | 61.10:1 | 80.01:1 | 104.77:1 | 167.96:1 | 219.95:1 | 288.03:1 | 377.18:1 | 493.93:1 |
| 阶数 | 1 | 1 | 2 | 2 | 3 | 3 | 3 | 3 | 4 | 4 | 4 | 4 | 4 |
| 效率[%] | 85 | 85 | 72 | 72 | 61 | 61 | 61 | 61 | 52 | 52 | 52 | 52 | 52 |
| 旋转方向 | = | = | = | = | = | = | = | = | = | = | = | = | = |
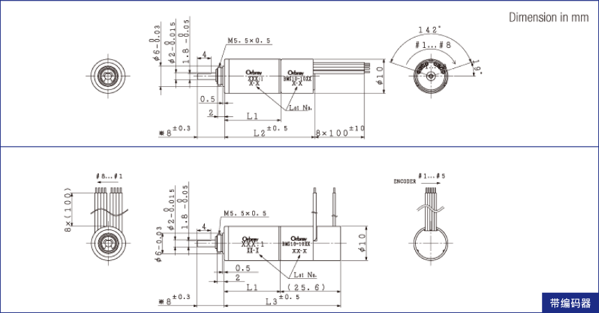
| 长度[mm] (马达+减速机=L2) |
20.5 | 20.5 | 23.5 | 23.5 | 26.5 | 26.5 | 26.5 | 26.5 | 29.6 | 29.6 | 29.6 | 29.6 | 29.6 |
| 长度[mm] (马达+减速机+编码器=L3) |
28.1 | 28.1 | 31.1 | 31.1 | 34.1 | 34.1 | 34.1 | 34.1 | 37.2 | 37.2 | 37.2 | 37.2 | 37.2 |
| 重量[g] (马达+减速机) |
10.3 | 10.3 | 11.6 | 11.6 | 12.9 | 12.9 | 12.9 | 12.9 | 14.2 | 14.2 | 14.2 | 14.2 | 14.2 |
| 最大允许扭矩(连续)[mNm] | 50 | ||||||||||||
| 最大允许扭矩(断续)[mNm] | 100 | ||||||||||||
※非标准齿轮
BMS10-1003P 额定电压: 4V
| 减速比※ | 3.6 | 4.7 | 13 | 22 | 47※ | 61 | 80※ | 105 | 168※ | 220※ | 288 | 377※ | 494 |
|---|---|---|---|---|---|---|---|---|---|---|---|---|---|
| 额定扭矩[mNm] | 0.4 | 0.5 | 1 | 2 | 4 | 5 | 7 | 9 | 12 | 15 | 20 | 26 | 35 |
| 额定转速[rpm] | 6,110 | 5,060 | 1,650 | 964 | 503 | 384 | 293 | 193 | 131 | 100 | 76 | 58 | 44 |
| 无负载转速[rpm] | 7,520 | 6,130 | 2,040 | 1,190 | 611 | 467 | 356 | 242 | 161 | 123 | 94 | 72 | 54 |
| 无负载电流[mA] | 412 | 360 | 428 | 428 | 370 | 370 | 370 | 462 | 412 | 412 | 412 | 412 | 418 |
| 堵转扭矩[mNm] | 2 | 3 | 7 | 11 | 22 | 28 | 37 | 43 | 63 | 82 | 108 | 141 | 183 |
| 堵转电流[mA] | 1,379 | ||||||||||||
※非标准齿轮
BMS10-1008P 额定电压: 6V
| 减速比※ | 3.6 | 4.7 | 13 | 22 | 47※ | 61 | 80※ | 105 | 168※ | 220※ | 288 | 377※ | 494 |
|---|---|---|---|---|---|---|---|---|---|---|---|---|---|
| 额定扭矩[mNm] | 0.3 | 0.4 | 1 | 2 | 3 | 4 | 5 | 7 | 9 | 12 | 16 | 21 | 28 |
| 额定转速[rpm] | 5,480 | 4,610 | 1,480 | 861 | 456 | 348 | 266 | 171 | 117 | 90 | 69 | 52 | 39 |
| 无负载转速[rpm] | 6,820 | 5,630 | 1,850 | 1,080 | 560 | 427 | 326 | 217 | 146 | 112 | 85 | 65 | 49 |
| 无负载电流[mA] | 248 | 217 | 257 | 257 | 224 | 224 | 224 | 276 | 248 | 248 | 248 | 248 | 252 |
| 堵转扭矩[mNm] | 2 | 2 | 5 | 9 | 17 | 22 | 29 | 33 | 48 | 63 | 82 | 108 | 140 |
| 堵转电流[mA] | 735 | ||||||||||||
※非标准齿轮
订购时的型号名称
BMS10-1003 + SPG10-3.6(3.60:1)的组合 → BMS10-1003P3.6
