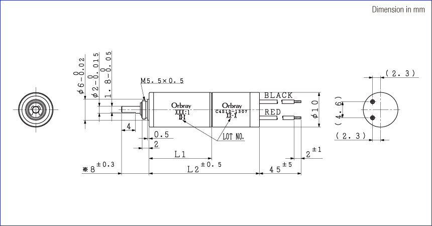
在高负载下具有的耐用性,可进行高扭矩传输的
行星减速机SPG10和
有刷马达C4S10-1307的组合
SPG10行星减速机+ C4S10-1307 (通用规格组合)
| 减速比 | 3.6 | 4.7 | 13 | 22 | 47※ | 61 | 80※ | 105 | 168※ | 220※ | 288 | 377※ | 494 |
|---|---|---|---|---|---|---|---|---|---|---|---|---|---|
| 減速比(絶対値) | 3.60:1 | 4.70:1 | 12.96:1 | 22.22:1 | 46.66:1 | 61.10:1 | 80.01:1 | 104.77:1 | 167.96:1 | 219.95:1 | 288.03:1 | 377.18:1 | 493.93:1 |
| 阶数 | 1 | 1 | 2 | 2 | 3 | 3 | 3 | 3 | 4 | 4 | 4 | 4 | 4 |
| 效率[%] | 85 | 85 | 72 | 72 | 61 | 61 | 61 | 61 | 52 | 52 | 52 | 52 | 52 |
| 旋转方向 | = | = | = | = | = | = | = | = | = | = | = | = | = |
| 长度[mm] (马达+减速机=L2) |
24.3 | 24.3 | 27.3 | 27.3 | 30.3 | 30.3 | 30.3 | 30.3 | 33.4 | 33.4 | 33.4 | 33.4 | 33.4 |
| 重量[g] (马达+减速机) |
11.3 | 11.3 | 12.6 | 12.6 | 13.9 | 13.9 | 13.9 | 13.9 | 15.2 | 15.2 | 15.2 | 15.2 | 15.2 |
| 最大允许扭矩(连续)[mNm] | 50 | ||||||||||||
| 最大允许扭矩(断续)[mNm] | 100 | ||||||||||||
※非标准齿轮
C4S10-1307P 额定电压:4.7V
| 减速比 | 3.6 | 4.7 | 13 | 22 | 47※ | 61 | 80※ | 105 | 168※ | 220※ | 288 | 377※ | 494 |
|---|---|---|---|---|---|---|---|---|---|---|---|---|---|
| 额定扭矩[mNm] | 0.6 | 0.8 | 2 | 3 | 5 | 7 | 9 | 12 | 17 | 22 | 29 | 37 | 49 |
| 额定转速[rpm] | 3,620 | 2,850 | 1,010 | 587 | 285 | 218 | 159 | 121 | 78 | 59 | 45 | 35 | 27 |
| 无负载转速[rpm] | 4,140 | 3,250 | 1,150 | 670 | 325 | 248 | 182 | 139 | 89 | 68 | 52 | 40 | 31 |
| 无负载电流[mA] | 81 | 67 | 81 | 81 | 71 | 71 | 94 | 94 | 81 | 81 | 81 | 71 | 71 |
| 堵转扭矩[mNm] | 5 | 6 | 14 | 24 | 44 | 58 | 73 | 96 | 133 | 175 | 229 | 305 | 399 |
| 堵转电流[mA] | 657 | 657 | 657 | 657 | 657 | 657 | 657 | 657 | 657 | 657 | 657 | 657 | 657 |
订购时的型号名称
C4S10-1307+SPG10-3.6(3.60:1)的组合 → C4S10-1307P3.6
