在高负载下具有的耐用性,
可进行高扭矩传输的行星减速机SPG10
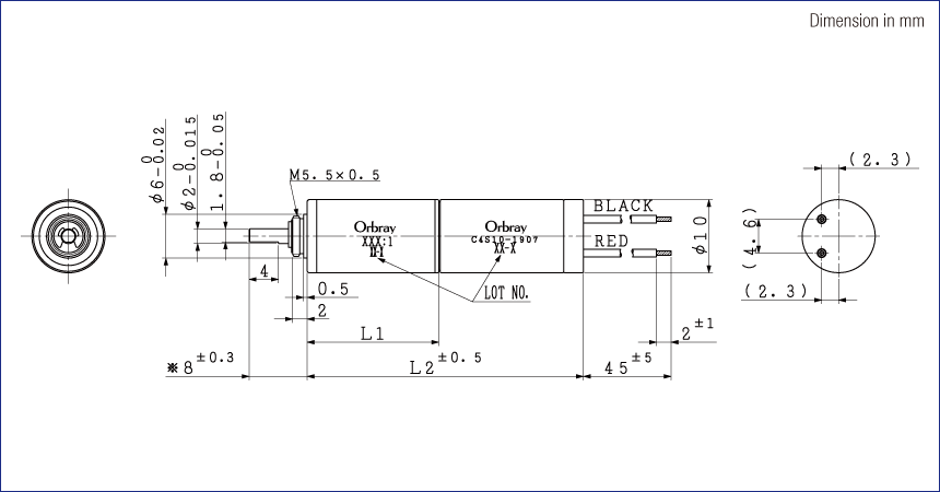
和有刷马达C4S10-1907的组合
SPG10行星减速机+ C4S10-1907 (通用规格组合)
| 减速比 | 3.6 | 4.7 | 13 | 22 | 47※ | 61 | 80※ | 105 | 168※ | 220※ | 288 | 377※ | 494 |
|---|---|---|---|---|---|---|---|---|---|---|---|---|---|
| 減速比(絶対値) | 3.60:1 | 4.70:1 | 12.96:1 | 22.22:1 | 46.66:1 | 61.10:1 | 80.01:1 | 104.77:1 | 167.96:1 | 219.95:1 | 288.03:1 | 377.18:1 | 493.93:1 |
| 阶数 | 1 | 1 | 2 | 2 | 3 | 3 | 3 | 3 | 4 | 4 | 4 | 4 | 4 |
| 效率[%] | 85 | 85 | 72 | 72 | 61 | 61 | 61 | 61 | 52 | 52 | 52 | 52 | 52 |
| 旋转方向 | = | = | = | = | = | = | = | = | = | = | = | = | = |
| 长度[mm] (马达+减速机=L2) |
30.3 | 30.3 | 33.3 | 33.3 | 36.3 | 36.3 | 36.3 | 36.3 | 39.4 | 39.4 | 39.4 | 39.4 | 39.4 |
| 重量[g] (马达+减速机) |
14.4 | 14.4 | 15.7 | 15.7 | 17 | 17 | 17 | 17 | 18.3 | 18.3 | 18.3 | 18.3 | 18.3 |
| 最大允许扭矩(连续)[mNm] | 50 | ||||||||||||
| 最大允许扭矩(断续)[mNm] | 100 | ||||||||||||
※非标准齿轮
C4S10-1907P 额定电压:7.4V
| 减速比 | 3.6 | 4.7 | 13 | 22 | 47※ | 61 | 80※ | 105 | 168※ | 220※ | 288 | 377※ | 494 |
|---|---|---|---|---|---|---|---|---|---|---|---|---|---|
| 额定扭矩[mNm] | 1 | 2 | 4 | 6 | 11 | 15 | 20 | 26 | 35 | 46 | 50 | 50 | 50 |
| 额定转速[rpm] | 4,040 | 3,130 | 1,120 | 655 | 314 | 240 | 180 | 138 | 87 | 66 | 51 | 40 | 31 |
| 无负载转速[rpm] | 4,440 | 3,430 | 1,230 | 719 | 345 | 263 | 198 | 151 | 95 | 73 | 55 | 43 | 33 |
| 无负载电流[mA] | 48 | 38 | 48 | 48 | 41 | 41 | 56 | 56 | 48 | 48 | 48 | 41 | 41 |
| 堵转扭矩[mNm] | 14 | 18 | 42 | 72 | 129 | 169 | 218 | 285 | 392 | 513 | 672 | 886 | 1,160 |
| 堵转电流[mA] | 1,104 | 1,104 | 1,104 | 1,104 | 1,104 | 1,104 | 1,104 | 1,104 | 1,104 | 1,104 | 1,104 | 1,104 | 1,104 |
订购时的型号名称
C4S10-1907 + SPG10-3.6(3.60:1)的组合 → C4S10-1907P3.6
