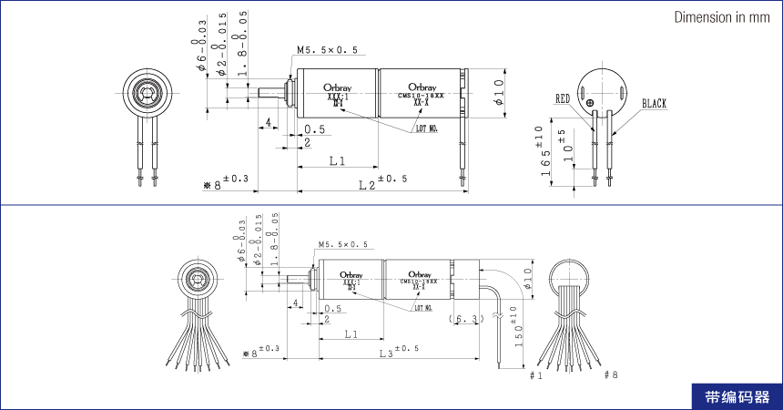
在高负载下具有出色的耐用性,可进行高扭矩传输的行星减速机SPG10和有刷马达CMS10-18XX的组合。
SPG10 行星减速机+ CMS10-18XX (通用规格组合)
| 减速比 | 3.6 | 4.7 | 13 | 22 | 47※ | 61 | 80※ | 105 | 168※ | 220※ | 288 | 377※ | 494 |
|---|---|---|---|---|---|---|---|---|---|---|---|---|---|
| 减速比(绝对值) | 3.60:1 | 4.70:1 | 12.96:1 | 22.22:1 | 46.66:1 | 61.10:1 | 80.01:1 | 104.77:1 | 167.96:1 | 219.95:1 | 288.03:1 | 377.18:1 | 493.93:1 |
| 阶数 | 1 | 1 | 2 | 2 | 3 | 3 | 3 | 3 | 4 | 4 | 4 | 4 | 4 |
| 效率[%] | 85 | 85 | 72 | 72 | 61 | 61 | 61 | 61 | 52 | 52 | 52 | 52 | 52 |
| 旋转方向 | = | = | = | = | = | = | = | = | = | = | = | = | = |
| 长度mm] (马达+减速机=L2) |
28.9 | 28.9 | 31.9 | 31.9 | 34.9 | 34.9 | 34.9 | 34.9 | 38 | 38 | 38 | 38 | 38 |
| 长度[mm] (马达+减速机+编码器=L3) |
34.5 | 34.5 | 37.5 | 37.5 | 40.5 | 40.5 | 40.5 | 40.5 | 43.6 | 43.6 | 43.6 | 43.6 | 43.6 |
| 重量[g] (马达+减速机) |
13.5 | 13.5 | 14.8 | 14.8 | 16.1 | 16.1 | 16.1 | 16.1 | 17.4 | 17.4 | 17.4 | 17.4 | 17.4 |
| 最大允许扭矩(连续)[mNm] | 50 | ||||||||||||
| 最大允许扭矩(断续)[mNm] | 100 | ||||||||||||
CMS10-1805P 额定电压: 3.7V
| 减速比 | 3.6 | 4.7 | 13 | 22 | 47※ | 61 | 80※ | 105 | 168※ | 220※ | 288 | 377※ | 494 |
|---|---|---|---|---|---|---|---|---|---|---|---|---|---|
| 额定扭矩[mNm] | 0.8 | 1 | 2 | 4 | 7 | 10 | 13 | 17 | 23 | 30 | 39 | 50 | 50 |
| 额定转速[rpm] | 2,860 | 2,250 | 794 | 463 | 225 | 172 | 126 | 96 | 61 | 47 | 36 | 28 | 22 |
| 无负载转速[rpm] | 3,400 | 2,660 | 944 | 551 | 266 | 203 | 150 | 115 | 73 | 56 | 42 | 33 | 25 |
| 无负载电流[mA] | 68 | 54 | 68 | 68 | 58 | 58 | 79 | 79 | 68 | 68 | 68 | 58 | 58 |
| 堵转扭矩[mNm] | 5 | 7 | 15 | 26 | 47 | 62 | 79 | 103 | 143 | 187 | 245 | 326 | 426 |
| 堵转电流[mA] | 694 | 694 | 694 | 694 | 694 | 694 | 694 | 694 | 694 | 694 | 694 | 694 | 694 |
CMS10-1818P 额定电压: 7.4V
| 减速比 | 3.6 | 4.7 | 13 | 22 | 47※ | 61 | 80※ | 105 | 168※ | 220※ | 288 | 377※ | 494 |
|---|---|---|---|---|---|---|---|---|---|---|---|---|---|
| 额定扭矩[mNm] | 0.7 | 1 | 2 | 4 | 7 | 9 | 12 | 15 | 21 | 27 | 36 | 47 | 50 |
| 额定转速[rpm] | 3,550 | 2,800 | 990 | 576 | 280 | 214 | 156 | 119 | 76 | 58 | 44 | 35 | 27 |
| 无负载转速[rpm] | 4,190 | 3,290 | 1,160 | 679 | 329 | 251 | 185 | 141 | 90 | 69 | 52 | 41 | 31 |
| 无负载电流[mA] | 45 | 36 | 45 | 45 | 38 | 38 | 53 | 53 | 45 | 45 | 45 | 38 | 38 |
| 堵转扭矩[mNm] | 5 | 6 | 15 | 25 | 46 | 60 | 76 | 99 | 138 | 181 | 237 | 315 | 413 |
| 堵转电流[mA] | 421 | 421 | 421 | 421 | 421 | 421 | 421 | 421 | 421 | 421 | 421 | 421 | 421 |
CMS10-1835P 额定电压: 12V
| 减速比 | 3.6 | 4.7 | 13 | 22 | 47※ | 61 | 80※ | 105 | 168※ | 220※ | 288 | 377※ | 494 |
|---|---|---|---|---|---|---|---|---|---|---|---|---|---|
| 额定扭矩[mNm] | 0.9 | 1 | 3 | 5 | 9 | 11 | 15 | 20 | 27 | 35 | 46 | 50 | 50 |
| 额定转速[rpm] | 4,110 | 3,250 | 1,140 | 666 | 325 | 248 | 180 | 137 | 88 | 67 | 51 | 42 | 33 |
| 无负载转速[rpm] | 5,050 | 3,970 | 1,400 | 819 | 398 | 304 | 222 | 170 | 108 | 83 | 63 | 49 | 38 |
| 无负载电流[mA] | 44 | 36 | 44 | 44 | 38 | 38 | 51 | 51 | 44 | 44 | 44 | 38 | 38 |
| 堵转扭矩[mNm] | 5 | 7 | 15 | 26 | 48 | 63 | 79 | 103 | 144 | 188 | 247 | 329 | 431 |
| 堵转电流[mA] | 343 | 343 | 343 | 343 | 343 | 343 | 343 | 343 | 343 | 343 | 343 | 343 | 343 |
※非标准齿轮
订购时的型号名称
CMS10-1805+SPG10-3.6(3.60:1) 的组合 → CMS10-1805P3.6
