在高负载下具有出色的耐用性,
可进行高扭矩传输的行星减速机
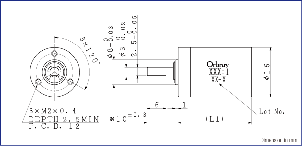
减速机 SPG16 一般规格
| 减速机 SPG16 | |
|---|---|
| 运行温度范围[℃] | -10~+60 |
| 无负载状态下,每阶齿隙[°] | ≦1 |
| 输出轴处轴承 | 烧结套筒轴承 |
| 输出轴最大径向负载(在距输出轴前端基准面3mm处)[N] | 4.0 |
| 输出轴最大轴向负载重[N] | 2 |
| 输出轴轴向最大静负载[N] | 30 |
| 输出轴径向游隙[mm] | ≦0.03 |
| 输出轴轴向游隙[mm] | ≦0.3 |
※SPG16是直径为16mm的齿轮头
规格基于阶数
| 减速比 | 3.6 | 4.7 | 13 | 22 | 47※ | 61 | 80※ | 105 | 168※ | 220※ | 288※ | 377※ | 494※ |
|---|---|---|---|---|---|---|---|---|---|---|---|---|---|
| 減速比(絶対値) | 3.60:1 | 4.71:1 | 12.96:1 | 22.22:1 | 46.66:1 | 61.10:1 | 80.01:1 | 104.77:1 | 167.96:1 | 219.95:1 | 288.03:1 | 377.18:1 | 493.93:1 |
| 阶数 | 1 | 1 | 2 | 2 | 3 | 3 | 3 | 3 | 4 | 4 | 4 | 4 | 4 |
| 效率[%] | 85 | 85 | 72 | 72 | 61 | 61 | 61 | 61 | 52 | 52 | 52 | 52 | 52 |
| 最大允许扭矩(连续)[mNm] | 200 | 200 | 200 | 200 | 200 | 200 | 200 | 200 | 200 | 200 | 200 | 200 | 200 |
| 最大允许扭矩(断续)[mNm] | 400 | 400 | 400 | 400 | 400 | 400 | 400 | 400 | 400 | 400 | 400 | 400 | 400 |
| 旋转方向 | = | = | = | = | = | = | = | = | = | = | = | = | = |
| 减速机长度[ mm] | 15.3 | 15.3 | 19.5 | 19.5 | 23.7 | 23.7 | 23.7 | 23.7 | 28 | 28 | 28 | 28 | 28 |
| 重量[g] | 20 | 20 | 24.5 | 24.5 | 29 | 29 | 29 | 29 | 33.5 | 33.5 | 33.5 | 33.5 | 33.5 |
※非标准齿轮
可配置马达
| 马达类型 | 减速马达型号 |
|---|---|
| 空心杯有刷马达 | CMS16-23XXPYY |
| CMS16-28XXPYY | |
| CMS16-33XXPYY | |
| 空心杯无刷马达 | BMS16-20XXPYY |
| BMS16-30XXPYY | |
| BMD17-18XXPYY |
订购时的型号名称
CMS16-2304 + SPG16-3.6(3.60:1)的组合 → CMS16-2304P3.6
BMS16-2001 + SPG16-494(493.93:1)的组合 → BMS16-2001P494
