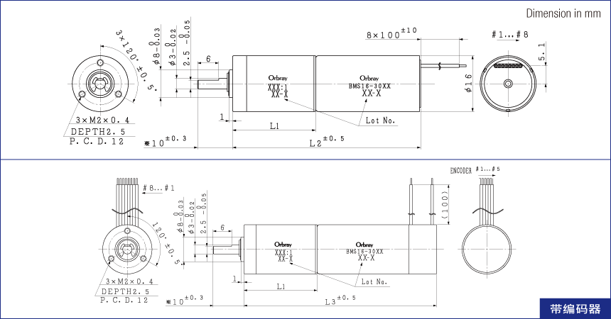
在高负载下具有出色的耐用性,可进行高扭矩传输的行星减速机SPG16和无刷马达BMS16-30XX的组合。
SPG16行星减速机+ BMS16-30XX (通用规格组合)
| 减速比 | 3.6 | 4.7 | 13 | 22 | 47※ | 61 | 80※ | 105 | 168※ | 220※ | 288※ | 377※ | 494※ |
|---|---|---|---|---|---|---|---|---|---|---|---|---|---|
| 减速比(绝对值) | 3.60:1 | 4.71:1 | 12.96:1 | 22.22:1 | 46.66:1 | 61.10:1 | 80.01:1 | 104.77:1 | 167.96:1 | 219.95:1 | 288.03:1 | 377.18:1 | 493.93:1 |
| 阶数 | 1 | 1 | 2 | 2 | 3 | 3 | 3 | 3 | 4 | 4 | 4 | 4 | 4 |
| 效率[%] | 85 | 85 | 72 | 72 | 61 | 61 | 61 | 61 | 52 | 52 | 52 | 52 | 52 |
| 旋转方向 | = | = | = | = | = | = | = | = | = | = | = | = | = |
| 长度[mm] (马达+减速机=L2) |
45.3 | 45.3 | 49.5 | 49.5 | 53.7 | 53.7 | 53.7 | 53.7 | 58 | 58 | 58 | 58 | 58 |
| 长度[mm] (马达+减速机+编码器=L3) |
54 | 54 | 58.2 | 58.2 | 62.4 | 62.4 | 62.4 | 62.4 | 66.7 | 66.7 | 66.7 | 66.7 | 66.7 |
| 重量[g] (马达+减速机) |
56 | 56 | 60.5 | 60.5 | 65 | 65 | 65 | 65 | 69.5 | 69.5 | 69.5 | 69.5 | 69.5 |
| 最大允许扭矩(连续)[mNm] | 200 | ||||||||||||
| 最大允许扭矩(断续)[mNm] | 400 | ||||||||||||
※非标准齿轮
BMS16-3001P 额定电压: 7.4V
| 减速比 | 3.6 | 4.7 | 13 | 22 | 47※ | 61 | 80※ | 105 | 168※ | 220※ | 288※ | 377※ | 494※ |
|---|---|---|---|---|---|---|---|---|---|---|---|---|---|
| 额定扭矩[mNm] | 10 | 13 | 31 | 53 | 94 | 124 | 162 | 200 | 200 | 200 | 200 | 200 | 200 |
| 额定转速[rpm] | 3,414 | 2,617 | 948 | 551 | 264 | 201 | 154 | 118 | 77 | 60 | 47 | 36 | 28 |
| 无负载转速[rpm] | 3,943 | 3,021 | 1,095 | 637 | 304 | 232 | 177 | 135 | 84 | 65 | 49 | 38 | 29 |
| 无负载电流[mA] | 231 | 218 | 231 | 246 | 227 | 227 | 223 | 223 | 223 | 223 | 223 | 223 | 223 |
| 堵转扭矩[mNm] | 75 | 99 | 230 | 394 | 705 | 923 | 1,208 | 1,581 | 2,155 | 2,822 | 3,695 | 4,839 | 6,337 |
| 堵转电流[mA] | 5,390 | ||||||||||||
BMS16-3002P 额定电压: 12V
| 减速比 | 3.6 | 4.7 | 13 | 22 | 47※ | 61 | 80※ | 105 | 168※ | 220※ | 288※ | 377※ | 494※ |
|---|---|---|---|---|---|---|---|---|---|---|---|---|---|
| 额定扭矩[mNm] | 12 | 16 | 37 | 64 | 114 | 150 | 196 | 200 | 200 | 200 | 200 | 200 | 200 |
| 额定转速[rpm] | 4,014 | 3,075 | 1,115 | 649 | 310 | 237 | 181 | 142 | 91 | 70 | 55 | 42 | 32 |
| 无负载转速[rpm] | 4,535 | 3,473 | 1,260 | 733 | 350 | 267 | 204 | 156 | 97 | 74 | 57 | 43 | 33 |
| 无负载电流[mA] | 171 | 162 | 171 | 183 | 168 | 168 | 172 | 172 | 172 | 172 | 172 | 172 | 172 |
| 堵转扭矩[mNm] | 106 | 139 | 325 | 557 | 996 | 1,305 | 1,707 | 2,235 | 3,046 | 3,989 | 5,224 | 6,841 | 8,958 |
| 堵转电流[mA] | 5,289 | ||||||||||||
BMS16-3010P 额定电压: 24V
| 减速比 | 3.6 | 4.7 | 13 | 22 | 47※ | 61 | 80※ | 105 | 168※ | 220※ | 288※ | 377※ | 494※ |
|---|---|---|---|---|---|---|---|---|---|---|---|---|---|
| 额定扭矩[mNm] | 12 | 16 | 37 | 63 | 112 | 147 | 192 | 200 | 200 | 200 | 200 | 200 | 200 |
| 额定转速[rpm] | 3,801 | 2,911 | 1,056 | 614 | 293 | 224 | 171 | 134 | 86 | 67 | 52 | 40 | 31 |
| 无负载转速[rpm] | 4,306 | 3,297 | 1,196 | 696 | 332 | 254 | 194 | 148 | 92 | 70 | 54 | 41 | 31 |
| 无负载电流[mA] | 80 | 75 | 80 | 85 | 78 | 78 | 80 | 80 | 80 | 80 | 80 | 80 | 80 |
| 堵转扭矩[mNm] | 102 | 134 | 312 | 533 | 954 | 1,250 | 1,635 | 2,141 | 2,918 | 3,821 | 5,004 | 6,553 | 8,581 |
| 堵转电流[mA] | 2,408 | ||||||||||||
订购时的型号名称
BMS16-3001 + SPG16-3.6(3.60:1)的组合 → BMS16-3001P3.6
