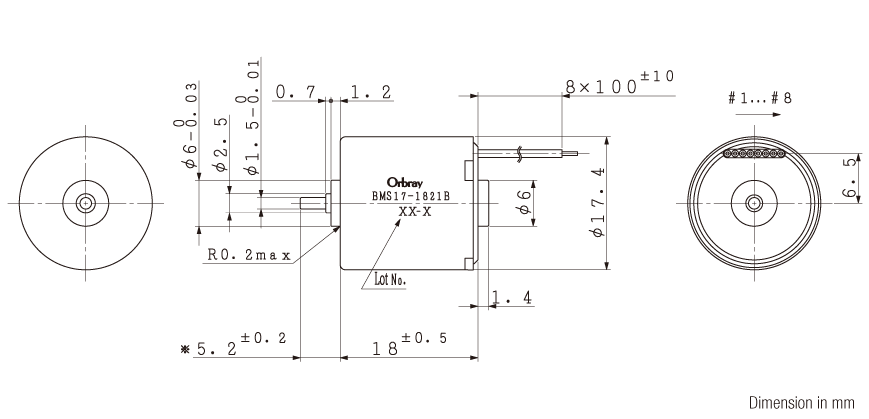
带霍尔传感器・套筒轴承
BMS17-1821B 技术参数
| BMS17-1821B | |
|---|---|
| 额定电压[V] | 24 |
| 无负载转速[rpm] | 20,000 |
| 无负载电流[mA] | 72 |
| 堵转扭矩[mNm] | 11.82 |
| 堵转电流[mA] | 1,171 |
| 最大输出功率[W] | 6.20 |
| 最大效率[%] | 57 |
| 端子间电阻[Ω] | 20.50 |
| 额定扭矩[mNm] | 1.69 |
| 额定转速[rpm] | 17,143 |
| 额定电流[mA] | 229 |
| 空载损耗转矩[mNm] | 0.77 |
| 反电动势常数[mV/rpm] | 1.126 |
| 機械时间常数[mNm/A] | 10.75 |
| 转数/扭矩斜率[rpm/mNm] | 1,693 |
| 機械时间常数[ms] | 12.91 |
| 转子转动惯量[gcm2] | 0.65 |
| 最大允许扭矩[mNm] | 3.94 |
| 电感[mH]@1kHz | 0.444 |
| 热阻 Rth1(线圈-壳体间)[K/W] | TBD |
| 热阻 Rth2(壳体-外界空气间)[K/W] | TBD |
| 输出轴径向游隙[mm] | 0.05 |
| 输出轴轴向游隙[mm] | 0~0.1 |
| 输出轴最大径向负载[N] | 5(4.2mm ※1) |
| 输出轴最大轴向负载[N] | 1 |
| 静止状态下输出轴最大轴向负载[N] | 10 |
| 运行温度范围[℃] | -20~+80 |
| 绕组最高温度[℃] | 90 |
| 重量[g] | 21 |
※1 尺寸从马达法兰面开始测量。
配列
| BMS17-1821B | ||
|---|---|---|
| #1 | U | 马达绕组 U |
| #2 | V | 马达绕组 V |
| #3 | W | 马达绕组 W |
| #4 | Vdd | 输入电压3.0V(1.6~5.5V) |
| #5 | Gnd | GND |
| #6 | Hu | 霍尔传感器输出 U |
| #7 | Hv | 霍尔传感器输出 V |
| #8 | Hw | 霍尔传感器输出 W |
特性图
