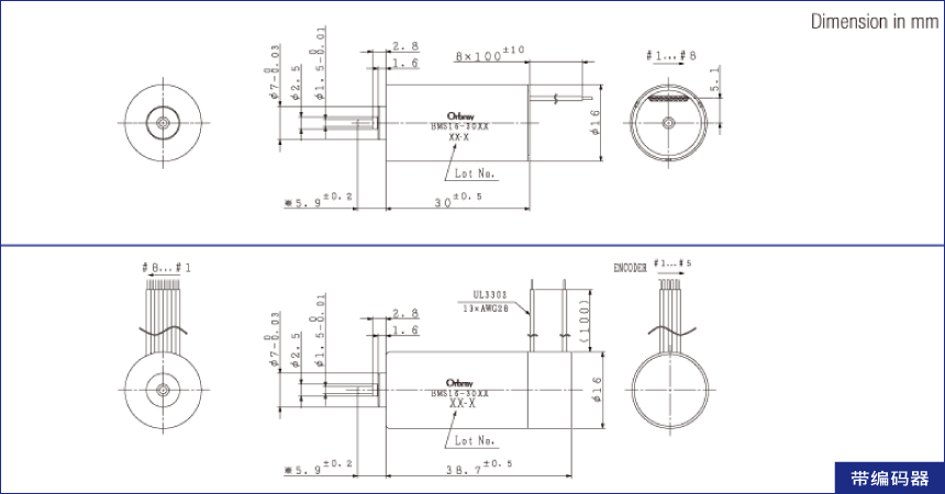
带霍尔传感器・套筒轴承


BMS16-30 技术参数
无刷马达 BMS16-3001 | 无刷马达 BMS16-3002 | 无刷马达 BMS16-3009 | ||
---|---|---|---|---|
1 | 额定电压[V] | 7.4 | 12.0 | 24.0 |
2 | 无负载转速[rpm] | 14500 | 16600 | 15800 |
3 | 无负载电流[mA] | 123 | 86 | 41 |
4 | 堵转扭矩[mNm] | 25.10 | 35.33 | 33.84 |
5 | 堵转电流[mA] | 5390 | 5290 | 2410 |
6 | 最大输出功率[W] | 9.5 | 15.4 | 14.0 |
7 | 最大效率[%] | 72 | 76 | 76 |
8 | 端子间电阻[Ω] | 1.37 | 2.27 | 9.97 |
9 | 额定扭矩[mNm] | 3.26 | 3.90 | 3.86 |
10 | 额定转速[rpm] | 12600 | 14800 | 14000 |
11 | 额定电流[mA] | 807 | 660 | 311 |
12 | 摩擦扭矩[mNm] | 0.58 | 0.58 | 0.58 |
13 | 反电动势常数[mV/rpm] | 0.499 | 0.711 | 1.497 |
14 | 扭矩常数[mNm/A] | 4.77 | 6.79 | 14.30 |
15 | 转数/扭矩斜率[rpm/mNm] | 577 | 470 | 466 |
16 | 機械时间常数[ms] | 3.56 | 2.89 | 2.87 |
17 | 转子转动惯量[gcm2] | 0.59 | 0.59 | 0.59 |
18 | 最大允许扭矩[mNm] | 12.55 | 17.67 | 16.92 |
※BMS16-30为直径16mm, 长度30mmの无刷马达。
機械特性
19 | 输出轴径向游隙[mm] | 0.015 |
20 | 输出轴轴向游隙[mm] | 0.23 |
21 | 输出轴最大径向负载[N] | 1.2(4.9mm*) |
22 | 输出轴最大轴向负载[N] | 0.2 |
23 | 静止状态下输出轴最大轴向负载[N] | 9.8 |
24 | 运行温度范围[℃] | -20~80 |
25 | 绕组最高温度[℃] | 90 |
26 | 重量[g] | 36 |
*尺寸从马达法兰面()mm开始测量。
FPC配置
#1 | Lu | 马达绕组 U |
#2 | Lv | 马达绕组 V |
#3 | Lw | 马达绕组 W |
#4 | Vdd | 输入电压 3.0V(1.6~5.5V) |
#5 | Gnd | GND |
#6 | Hu | 霍尔传感器输出 U |
#7 | Hv | 霍尔传感器输出 V |
#8 | Hw | 霍尔传感器输出 W |
只有带霍尔传感器版本
