带霍尔传感器・套筒轴承
| 减速机 | |||
|---|---|---|---|
| SSG16 | SPG16 | - | - |
| 无刷马达 | |
|---|---|
| BMS16-2001 | BMS16-2004 |
| BMS16-2013 | - |
| 编码器 | |
|---|---|
| ETD16 | - |
| 驱动板 | |
|---|---|
| SHSD24-01A | PSV24-05E |
| - | - |
带霍尔传感器
烧结套筒轴承※1
Nd-Fe-B
磁铁
磁铁
BMS16-20 技术参数
| BMS16-2001 | BMS16-2004 | BMS16-2013 | |
|---|---|---|---|
| 额定电压[V] | 7.4 | 12 | 24 |
| 无负载转速[rpm] | 21,400 | 23,200 | 24,800 |
| 无负载电流[mA] | 93 | 113 | 60 |
| 堵转扭矩[mNm] | 16.70 | 15.97 | 16.30 |
| 堵转电流[mA] | 5,242 | 3,459 | 1,882 |
| 最大输出功率[W] | 9.4 | 9.7 | 10.6 |
| 最大效率[%] | 75 | 67 | 67 |
| 端子间电阻[Ω] | 1.41 | 3.47 | 12.75 |
| 额定扭矩[mNm] | 1.96 | 2.28 | 2.33 |
| 额定转速[rpm] | 18,900 | 19,886 | 21,257 |
| 额定电流[mA] | 699 | 591 | 320 |
| 空载损耗转矩[mNm] | 0.30 | 0.54 | 0.54 |
| 反电动势常数[mV/rpm] | 0.340 | 0.500 | 0.937 |
| 機械时间常数[mNm/A] | 3.24 | 4.77 | 8.95 |
| 转数/扭矩斜率[rpm/mNm] | 1,280 | 1,455 | 1,521 |
| 機械时间常数[ms] | 4.62 | 5.25 | 5.49 |
| 转子转动惯量[gcm2] | 0.34 | 0.34 | 0.34 |
| 最大允许扭矩[mNm] | 5.57 | 5.32 | 5.43 |
| 电感[mH] @1kHz | TBD | 0.160 | 0.642 |
| 热阻 Rth1(线圈-壳体间)[K/W] | TBD | TBD | TBD |
| 热阻 Rth2(壳体-外界空气间)[K/W] | TBD | TBD | TBD |
| 输出轴径向游隙[mm] | 0.05 | ||
| 输出轴轴向游隙[mm] | 0.02~0.2 | ||
| 输出轴最大径向负载[N] | 1.2(4.9mm ※2) | ||
| 输出轴最大轴向负载[N] | 0.2 | ||
| 静止状态下输出轴最大轴向负载[N] | 9.8 | ||
| 运行温度范围[℃] | -20~+80 | ||
| 绕组最高温度[℃] | 90 | ||
| 重量[g] | 24 | ||
※1 支持更换为滚珠轴承
※2 尺寸从马达法兰面开始测量。
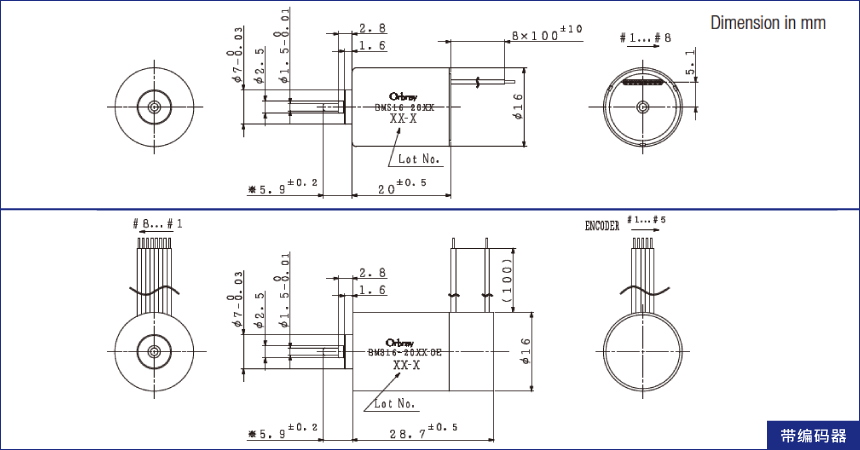
FPC配置
| BMS16-2001 / BMS16-2004 / BMS16-2013 | ||
|---|---|---|
| #1 | U | 马达绕组 U |
| #2 | V | 马达绕组 V |
| #3 | W | 马达绕组 W |
| #4 | Vdd | 输入电压 3.0V(1.6~5.5V) |
| #5 | Gnd | GND |
| #6 | Hu | 霍尔传感器输出 U |
| #7 | Hv | 霍尔传感器输出 V |
| #8 | Hw | 霍尔传感器输出 W |
特性图
