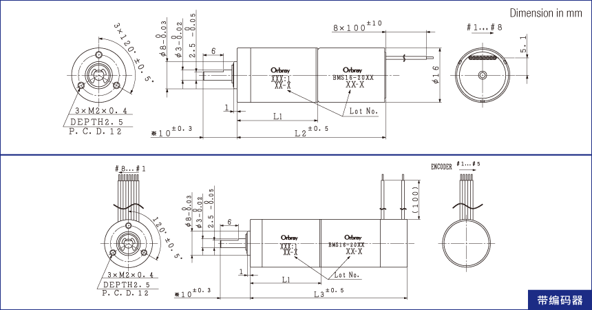
在高负载下具有出色的耐用性,可进行高扭矩传输的行星减速机SPG16和无刷马达BMS16-20XX的组合。
SPG16行星减速机+ BMS16-20XX (通用规格组合)
| 减速比 | 3.6 | 4.7 | 13 | 22 | 47※ | 61 | 80※ | 105 | 168※ | 220※ | 288※ | 377※ | 494※ |
|---|---|---|---|---|---|---|---|---|---|---|---|---|---|
| 减速比(绝对值) | 3.60:1 | 4.71:1 | 12.96:1 | 22.22:1 | 46.66:1 | 61.10:1 | 80.01:1 | 104.77:1 | 167.96:1 | 219.95:1 | 288.03:1 | 377.18:1 | 493.93:1 |
| 阶数 | 1 | 1 | 2 | 2 | 3 | 3 | 3 | 3 | 4 | 4 | 4 | 4 | 4 |
| 效率[%] | 85 | 85 | 72 | 72 | 61 | 61 | 61 | 61 | 52 | 52 | 52 | 52 | 52 |
| 旋转方向 | = | = | = | = | = | = | = | = | = | = | = | = | = |
| 长度[mm] (马达+减速机=L2) |
35.3 | 35.3 | 39.5 | 39.5 | 43.7 | 43.7 | 43.7 | 43.7 | 48 | 48 | 48 | 48 | 48 |
| 长度[mm] (马达+减速机+编码器=L3) |
44 | 44 | 48.2 | 48.2 | 52.4 | 52.4 | 52.4 | 52.4 | 56.7 | 56.7 | 56.7 | 56.7 | 56.7 |
| 重量[g] (马达+减速机) |
44 | 44 | 48.5 | 48.5 | 53 | 53 | 53 | 53 | 57.5 | 57.5 | 57.5 | 57.5 | 57.5 |
| 最大允许扭矩(连续)[mNm] | 200 | ||||||||||||
| 最大允许扭矩(断续)[mNm] | 400 | ||||||||||||
BMS16-2001P 额定电压: 7.4V
| 减速比 | 3.6 | 4.7 | 13 | 22 | 47※ | 61 | 80※ | 105 | 168※ | 220※ | 288※ | 377※ | 494※ |
|---|---|---|---|---|---|---|---|---|---|---|---|---|---|
| 额定扭矩[mNm] | 6 | 8 | 18 | 32 | 56 | 74 | 97 | 126 | 172 | 200 | 200 | 200 | 200 |
| 额定转速[rpm] | 4,707 | 3,616 | 1,308 | 758 | 364 | 275 | 210 | 161 | 100 | 78 | 61 | 48 | 37 |
| 无负载转速[rpm] | 5,341 | 4,101 | 1,484 | 861 | 413 | 313 | 239 | 182 | 114 | 87 | 66 | 51 | 39 |
| 无负载电流[mA] | 386 | 364 | 386 | 412 | 379 | 416 | 418 | 418 | 418 | 418 | 418 | 418 | 418 |
| 堵转扭矩[mNm] | 51 | 67 | 155 | 264 | 475 | 617 | 808 | 1,058 | 1,442 | 1,889 | 2,473 | 3,239 | 4,241 |
| 堵转电流[mA] | 5,248 | ||||||||||||
BMS16-2004P 额定电压: 12V
| 减速比 | 3.6 | 4.7 | 13 | 22 | 47※ | 61 | 80※ | 105 | 168※ | 220※ | 288※ | 377※ | 494※ |
|---|---|---|---|---|---|---|---|---|---|---|---|---|---|
| 额定转速[mNm] | 7 | 9 | 21 | 37 | 65 | 86 | 112 | 147 | 200 | 200 | 200 | 200 | 200 |
| 额定转速[rpm] | 5,061 | 3,893 | 1,406 | 814 | 391 | 299 | 228 | 174 | 108 | 86 | 68 | 53 | 41 |
| 无负载转速[rpm] | 5,955 | 4,576 | 1,654 | 958 | 460 | 351 | 268 | 205 | 128 | 97 | 74 | 57 | 43 |
| 无负载电流[mA] | 222 | 205 | 222 | 242 | 217 | 217 | 223 | 223 | 223 | 223 | 223 | 223 | 223 |
| 堵转扭矩[mNm] | 47 | 61 | 142 | 242 | 436 | 571 | 747 | 978 | 1,332 | 1,745 | 2,284 | 2,992 | 3,918 |
| 堵转电流[mA] | 3,272 | ||||||||||||
BMS16-2013P 额定电压: 24V
| 减速比 | 3.6 | 4.7 | 13 | 22 | 47※ | 61 | 80※ | 105 | 168※ | 220※ | 288※ | 377※ | 494※ |
|---|---|---|---|---|---|---|---|---|---|---|---|---|---|
| 额定扭矩[mNm] | 7 | 9 | 22 | 37 | 67 | 87 | 114 | 150 | 200 | 200 | 200 | 200 | 200 |
| 额定转速[rpm] | 5,568 | 4,284 | 1,547 | 895 | 430 | 329 | 250 | 191 | 120 | 95 | 75 | 58 | 45 |
| 无负载转速[rpm] | 6,552 | 5,037 | 1,820 | 1,054 | 506 | 387 | 295 | 225 | 140 | 107 | 82 | 63 | 48 |
| 无负载电流[mA] | 149 | 139 | 149 | 161 | 146 | 146 | 149 | 149 | 149 | 149 | 149 | 149 | 149 |
| 堵转扭矩[mNm] | 47 | 62 | 145 | 247 | 445 | 583 | 762 | 998 | 1,359 | 1,780 | 2,331 | 3,053 | 3,998 |
| 堵转电流[mA] | 1,882 | ||||||||||||
※非标准齿轮
订购时的型号名称
BMS16-2001 + SPG16-3.6(3.60:1)的组合 → BMS16-2001P3.6
