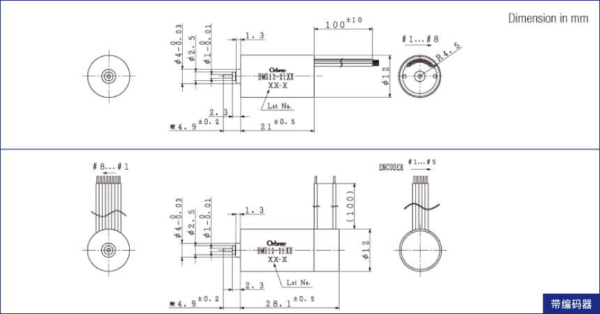
带霍尔传感器・套筒轴承
| 减速机 | |||
|---|---|---|---|
| SSG12 | SPG12 | - | - |
| 无刷马达 | |
|---|---|
| BMS12-2102 | BMS12-2104 |
| - | - |
| 编码器 | |
|---|---|
| ETD12 | - |
| 驱动板 | |
|---|---|
| SHSD24-01A | PSV24-05E |
| - | - |
带霍尔传感器
烧结套筒轴承
Nd-Fe-B
磁铁
磁铁
BMS12-21 技术参数
| BMS12-2102 | BMS12-2104 | |
|---|---|---|
| 额定电压[V] | 7.4 | 12 |
| 无负载转速[rpm] | 22,800 | 24,300 |
| 无负载电流[mA] | 100 | 70 |
| 堵转扭矩[mNm] | 11.60 | 12.09 |
| 堵转电流[mA] | 3,941 | 2,703 |
| 最大输出功率[W] | 6.9 | 7.7 |
| 最大效率[%] | 71 | 70 |
| 端子间电阻[Ω] | 1.88 | 4.44 |
| 额定扭矩[mNm] | 1.59 | 1.68 |
| 额定转速[rpm] | 19,667 | 20,931 |
| 额定电流[mA] | 628 | 435 |
| 空载损耗转矩[mNm] | 0.30 | 0.32 |
| 反电动势常数[mV/rpm] | 0.316 | 0.481 |
| 扭矩常数[mNm/A] | 3.02 | 4.59 |
| 转数/扭矩斜率[rpm/mNm] | 1,965 | 2,009 |
| 機械时间常数[ms] | 2.71 | 2.77 |
| 转子转动惯量[gcm2] | 0.12 | 0.12 |
| 最大允许扭矩[mNm] | 3.87 | 4.03 |
| 电感[mH] @1kHz | 0.046 | 0.133 |
| 热阻 Rth1(线圈-壳体间)[K/W] | TBD | TBD |
| 热阻 Rth2(壳体-外界空气间)[K/W] | TBD | TBD |
| 输出轴径向游隙[mm] | 0.05 | |
| 输出轴轴向游隙[mm] | 0.02~0.2 | |
| 输出轴最大径向负载[N] | 0.5(3.9mm ※1) | |
| 输出轴最大轴向负载[N] | 0.15 | |
| 静止状态下输出轴最大轴向负载[N] | 7.8 | |
| 运行温度范围[℃] | -20~+80 | |
| 绕组最高温度[℃] | 90 | |
| 重量[g] | 13.4 | |
※1 尺寸从马达法兰面开始测量。
FPC配置
| BMS12-2102 / BMS12-2104 | ||
|---|---|---|
| #1 | U | 马达绕组 U |
| #2 | V | 马达绕组 V |
| #3 | W | 马达绕组 W |
| #4 | Vdd | 输入电压 3.0V(1.6~5.5V) |
| #5 | Gnd | GND |
| #6 | Hu | 霍尔传感器输出 U |
| #7 | Hv | 霍尔传感器输出 V |
| #8 | Hw | 霍尔传感器输出 W |
特性图
