无刷马达 B4S12-21XX OC/OD/OE
| 减速机 | |||
|---|---|---|---|
| SSG12 | SPG12 | - | - |
| 无刷马达 | |
|---|---|
| B4S12-2108B | B4S12-2109B |
| - | - |
| 编码器 | |
|---|---|
| ETD12 | - |
| 驱动板 | |
|---|---|
| SHSD24-01A | PSV24-05E |
| - | - |
带霍尔传感器
球轴承
Nd-Fe-B
磁铁
磁铁
B4S22-21xx OX 技术参数
| B4S12-2108B | B4S12-2109B | |
|---|---|---|
| 额定电压[V] | 12 | 15 |
| 无负载转速[rpm] | 15,320 | 19,300 |
| 无负载电流[mA] | 55 | 56 |
| 堵转扭矩[mNm] | 11.09 | 11.64 |
| 堵转电流[mA] | 1,592 | 1,678 |
| 最大输出功率[W] | 4.5 | 5.9 |
| 最大效率[%] | 66 | 67 |
| 端子间电阻[Ω] | 7.54 | 8.94 |
| 额定扭矩[mNm] | 1.58 | 1.66 |
| 额定转速[rpm] | 13,132 | 16,543 |
| 额定电流[mA] | 275 | 288 |
| 空载损耗转矩[mNm] | 0.40 | 0.40 |
| 反电动势常数[mV/rpm] | 0.756 | 0.751 |
| 機械时间常数[mNm/A] | 7.22 | 7.17 |
| 转数/扭矩斜率[rpm/mNm] | 1,381 | 1,659 |
| 機械时间常数[ms] | 3.49 | 4.20 |
| 转子转动惯量[gcm2] | 0.23 | 0.23 |
| 最大允许扭矩[mNm] | 3.60 | 3.60 |
| 电感[mH]@1kHz | 0.258 | 0.256 |
| 热阻 Rth1(线圈-壳体间)[K/W] | TBD | TBD |
| 热阻 Rth2(壳体-外界空气间)[K/W] | TBD | TBD |
| 输出轴径向游隙[mm] | 0.05 | |
| 输出轴轴向游隙[mm] | 0~0.1 | |
| 输出轴最大径向负载[N] | 0.5(3.4mm ※1) | |
| 输出轴最大轴向负载[N] | 0.15 | |
| 静止状态下输出轴最大轴向负载[N] | 10 | |
| 运行温度范围[℃] | -20~+80 | |
| 绕组最高温度[℃] | 90 | |
| 重量[g] | 18 | |
※1 尺寸从马达法兰面开始测量。
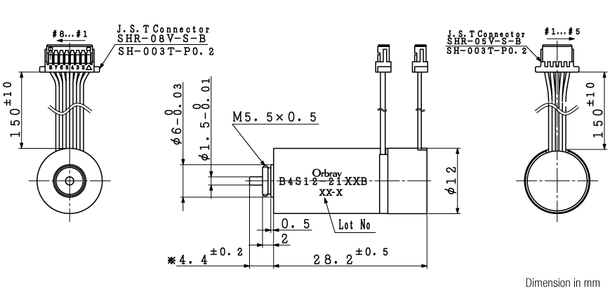
配列
| B4S12-2108B / B4S12-2109B | ||
|---|---|---|
| #1 | U | 马达绕组 U |
| #2 | V | 马达绕组 V |
| #3 | W | 马达绕组 W |
| #4 | Vdd | 输入电压 3.0V(1.6~5.5V) |
| #5 | Gnd | GND |
| #6 | Hu | 霍尔传感器输出 U |
| #7 | Hv | 霍尔传感器输出 V |
| #8 | Hw | 霍尔传感器输出 W |
特性図
编码器 ETD12-2C/D/E
2通道光电增量式编码器
技术参数(25℃以下)
| 编码器ETD12-2C | 编码器ETD12-2D | 编码器ETD12-2E | |
|---|---|---|---|
| 传感器 | 光电式 | ||
| 编码器类型 | 增量式 | ||
| 输出信号 | 兼容 | ||
| 通道数 | 2 ※1 | ||
| 分辨率(最大允许转速 = 50,000 rpm)[pulse/rev] | 128 | 256 | 512 |
| 最大频率响应[kHz] | 55 | 110 | 220 |
| 供应电压(Vcc)[V] | 4.5~5.5 | ||
| 电流消耗(通常)[mA] | 20 | ||
| 输出电压(H)[V] | ≧2.4(Max. Vcc) | ||
| 输出电压(L)[V] | ≦0.4 | ||
| 输出电流/通道[mA] | 1.5 | ||
| 信号上升时间/信号下降时间 (RL = 2.7k Ω and CL = 25pF)、 代表値[ns] | Tr=100, Tf=100 | ||
| 惯量[gmm2] | TBD | ||
| 运行温度范围[℃] | -20~+85 | ||
| 储存温度範囲[℃] | -20~+85 | ||
※1 关于3通道规格的事宜,请洽询电机销售部门
输出信号(马达轴顺时针旋转时)
输出信号
| 周期C | 360 |
| 脉冲P | 180 |
| A相B相位相差 φ | 90±45 |
| 逻辑宽幅S | 90±45 |
配列
| #1 | Vcc | D.C4.5~5.5V |
| #2 | Ch.A | CMOS/TTL兼容 |
| #3 | Ch.B | CMOS/TTL兼容 |
| #4 | - | NC(3ch选项 Ch.Z) |
| #5 | GND | |
| #6 | (MOTOR+) | (马达绕组+) |
| #7 | (MOTOR-) | (马达绕组-) |

