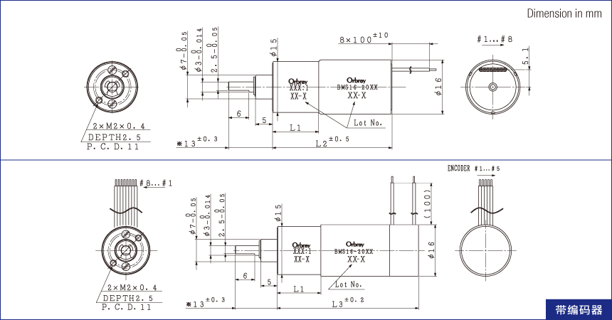
这是高效率/低噪音的正齿减速机SSG15 和
无刷电机BMS16-20XX 的组合。
SSG15 正齿减速机+ BMS16-20XX (通用规格组合)
| 减速比 | 29 | 49 | 71 | 94 | 152※ | 198 | 302 | 438※ | 638※ |
|---|---|---|---|---|---|---|---|---|---|
| 减速比(绝对值) | 29.07:1 | 48.58:1 | 71.36:1 | 93.68:1 | 152.20:1 | 198.06:1 | 301.84:1 | 438.31:1 | 638.18:1 |
| 阶数 | 3 | 4 | 4 | 4 | 5 | 5 | 5 | 6 | 6 |
| 效率[%] | 73 | 66 | 66 | 66 | 59 | 59 | 59 | 53 | 53 |
| 旋转方向 | ≠ | = | = | = | ≠ | ≠ | ≠ | = | = |
| 长度[mm] (马达+减速机=L2) |
31.2 | 33.2 | 33.2 | 33.2 | 35.2 | 35.2 | 35.2 | 37.2 | 37.2 |
| 长度[mm] (马达+减速机+编码器=L3) |
40.2 | 42.2 | 42.2 | 42.2 | 44.2 | 44.2 | 44.2 | 46.2 | 46.2 |
| 重量[g] (马达+减速机) |
32.9 | 34.3 | 34.3 | 34.3 | 35.5 | 35.5 | 35.5 | 36.9 | 36.9 |
| 最大允许扭矩(连续)[mNm] | 15 | 24 | |||||||
| 最大允许扭矩(断续)[mNm] | 30 | 60 | |||||||
※非标准齿轮
BMS16-2001S 额定电压: 7.4V
| 减速比 | 29 | 49 | 71 | 94 | 152※ | 198 | 302 | 438※ | 638※ |
|---|---|---|---|---|---|---|---|---|---|
| 额定扭矩[mNm] | 15 | 24 | 24 | 24 | 24 | 24 | 24 | 24 | 24 |
| 额定转速[rpm] | 659 | 393 | 272 | 208 | 129 | 100 | 66 | 45 | 31 |
| 无负载转速[rpm] | 687 | 411 | 280 | 213 | 131 | 101 | 66 | 46 | 31 |
| 无负载电流[mA] | 198 | 194 | 195 | 195 | 194 | 194 | 190 | 190 | 190 |
| 堵转扭矩[mNm] | 364 | 549 | 805 | 1,058 | 1,547 | 2,013 | 3,070 | 4,012 | 5,842 |
| 堵转电流[mA] | 5,248 | ||||||||
BMS16-2004S 额定电压: 12V
| 减速比 | 29 | 49 | 71 | 94 | 152※ | 198 | 302 | 438※ | 638※ |
|---|---|---|---|---|---|---|---|---|---|
| 额定扭矩[mNm] | 15 | 24 | 24 | 24 | 24 | 24 | 24 | 24 | 24 |
| 额定转速[rpm] | 737 | 440 | 304 | 234 | 145 | 112 | 74 | 51 | 35 |
| 无负载转速[rpm] | 772 | 462 | 315 | 240 | 147 | 113 | 74 | 51 | 35 |
| 无负载电流[mA] | 80 | 78 | 79 | 79 | 78 | 78 | 75 | 78 | 78 |
| 堵转扭矩[mNm] | 337 | 507 | 745 | 978 | 1,430 | 1,861 | 2,839 | 3,707 | 5,398 |
| 堵转电流[mA] | 3,272 | ||||||||
BMS16-2013S 额定电压: 24V
| ギヤ比 | 29 | 49 | 71 | 94 | 152※ | 198 | 302 | 438※ | 638※ |
|---|---|---|---|---|---|---|---|---|---|
| 额定扭矩[mNm] | 15 | 24 | 24 | 24 | 24 | 24 | 24 | 24 | 24 |
| 额定转速[rpm] | 814 | 486 | 336 | 258 | 160 | 124 | 81 | 56 | 39 |
| 无负载转速[rpm] | 852 | 510 | 347 | 264 | 163 | 125 | 82 | 57 | 39 |
| 无负载电流[mA] | 63 | 62 | 63 | 62 | 62 | 62 | 60 | 62 | 62 |
| 堵转扭矩[mNm] | 345 | 519 | 762 | 1,001 | 1,464 | 1,905 | 2,906 | 3,794 | 5,524 |
| 堵转电流[mA] | 1,882 | ||||||||
订购时的型号名称
BMS16-2001 + SSG16-29(29.07:1)的组合 → BMS16-2001S29
