这是高效率/低噪音的正齿减速机SSG12 和
无刷电机BMS12-21XX 的组合。
SSG12 正齿减速机+ BMS12-21XX (通用规格组合)
| 减速比 | 16 | 25 | 47 | 74 | 94 | 175 | 222※ | 282 |
|---|---|---|---|---|---|---|---|---|
| 减速比(绝对值) | 15.79:1 | 24.70:1 | 47.36:1 | 74.10:1 | 93.86:1 | 175.50:1 | 222.30:1 | 281.58:1 |
| 阶数 | 3 | 3 | 4 | 4 | 4 | 5 | 5 | 5 |
| 效率[%] | 73 | 73 | 66 | 66 | 66 | 59 | 59 | 59 |
| 旋转方向 | ≠ | ≠ | = | = | = | ≠ | ≠ | ≠ |
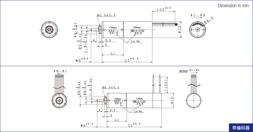
| 长度[mm] (马达+减速机=L2) |
35 | 35 | 37 | 37 | 37 | 39 | 39 | 39 |
| 长度[mm] (马达+减速机+编码器=L3) |
42.1 | 42.1 | 44.1 | 44.1 | 44.1 | 46.1 | 46.1 | 46.1 |
| 重量[g] (马达+减速机) |
21.7 | 21.7 | 22.6 | 22.6 | 22.6 | 23.6 | 23.6 | 23.6 |
| 最大允许扭矩(连续)[mNm] | 12 | 15 | ||||||
| 最大允许扭矩(断续)[mNm] | 30 | |||||||
BMS12-2102S 额定电压: 7.4V
| 减速比 | 16 | 25 | 47 | 74 | 94 | 175 | 222※ | 282 |
|---|---|---|---|---|---|---|---|---|
| 额定扭矩[mNm] | 12 | 12 | 15 | 15 | 15 | 15 | 15 | 15 |
| 额定转速[rpm] | 1,312 | 870 | 461 | 299 | 238 | 128 | 102 | 80 |
| 无负载转速[rpm] | 1,442 | 923 | 481 | 307 | 243 | 130 | 103 | 81 |
| 无负载电流[mA] | 109 | 102 | 106 | 105 | 102 | 103 | 102 | 102 |
| 堵转扭矩[mNm] | 133 | 209 | 360 | 563 | 714 | 1,201 | 1,522 | 1,928 |
| 堵转电流[mA] | 3,941 | |||||||
BMS12-2104S 额定电压: 12V
| 减速比 | 16 | 25 | 47 | 74 | 94 | 175 | 222※ | 282 |
|---|---|---|---|---|---|---|---|---|
| 额定扭矩[mNm] | 12 | 12 | 15 | 15 | 15 | 15 | 15 | 15 |
| 额定转速[rpm] | 1,404 | 929 | 492 | 319 | 254 | 137 | 108 | 86 |
| 无负载转速[rpm] | 1,535 | 983 | 512 | 328 | 259 | 138 | 109 | 86 |
| 无负载电流[mA] | 76 | 71 | 74 | 73 | 72 | 72 | 71 | 71 |
| 堵转扭矩[mNm] | 139 | 218 | 375 | 587 | 744 | 1,252 | 1,587 | 2,010 |
| 堵转电流[mA] | 2,703 | |||||||
订购时的型号名称
BMS12-2102 + SSG12-16(15.79:1)的组合 → BMS12-2102S16
