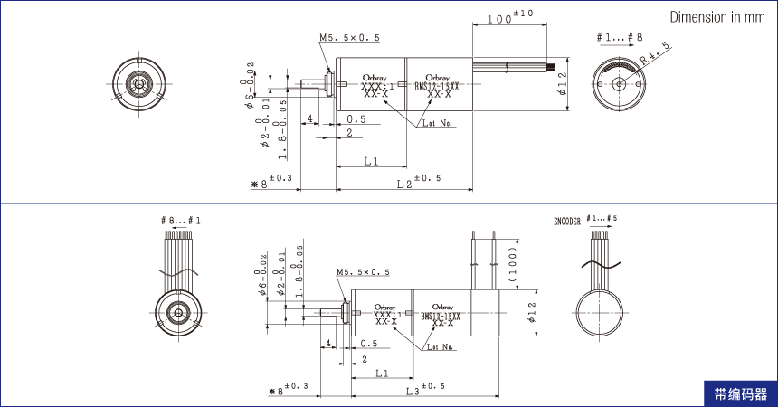
这是高效率/低噪音的正齿减速机SSG12 和
无刷电机BMS12-15XX 的组合。
SSG12 正齿减速机+ BMS12-15XX (通用规格组合)
| 减速比 | 16 | 25 | 47 | 74 | 94 | 175 | 222※ | 282 |
|---|---|---|---|---|---|---|---|---|
| 减速比(绝对值) | 15.79:1 | 24.70:1 | 47.36:1 | 74.10:1 | 93.86:1 | 175.50:1 | 222.30:1 | 281.58:1 |
| 阶数 | 3 | 3 | 4 | 4 | 4 | 5 | 5 | 5 |
| 效率[%] | 73 | 73 | 66 | 66 | 66 | 59 | 59 | 59 |
| 旋转方向 | ≠ | ≠ | = | = | = | ≠ | ≠ | ≠ |
| 长度[mm] (马达+减速机=L2) |
29 | 29 | 31 | 31 | 31 | 33 | 33 | 33 |
| 长度[mm] (马达+减速机+编码器=L3) |
36.1 | 36.1 | 38.1 | 38.1 | 38.1 | 40.1 | 40.1 | 40.1 |
| 重量[g] (马达+减速机) |
17.1 | 17.1 | 18 | 18 | 18 | 19 | 19 | 19 |
| 最大允许扭矩(连续)[mNm] | 12 | 15 | ||||||
| 最大允许扭矩(断续)[mNm] | 30 | |||||||
※非标准齿轮
BMS12-1503S 额定电压: 7.4V
| 减速比 | 16 | 25 | 47 | 74 | 94 | 175 | 222※ | 282 |
|---|---|---|---|---|---|---|---|---|
| 额定扭矩[mNm] | 9 | 12 | 15 | 15 | 15 | 15 | 15 | 15 |
| 额定转速[rpm] | 1,415 | 937 | 505 | 334 | 267 | 145 | 115 | 91 |
| 无负载转速[rpm] | 1,652 | 1,060 | 551 | 353 | 279 | 149 | 118 | 93 |
| 无负载电流mA] | 123 | 115 | 120 | 118 | 115 | 116 | 114 | 114 |
| 堵转扭矩[mNm] | 66 | 103 | 178 | 279 | 353 | 594 | 753 | 954 |
| 堵转电流[mA] | 2,349 | |||||||
BMS12-1506S 额定电压: 12V
| 减速比 | 16 | 25 | 47 | 74 | 94 | 175 | 222※ | 282 |
|---|---|---|---|---|---|---|---|---|
| 额定扭矩[mNm] | 10 | 12 | 15 | 15 | 15 | 15 | 15 | 15 |
| 额定转速[rpm] | 1,771 | 1,188 | 639 | 423 | 338 | 184 | 146 | 116 |
| 无负载转速[rpm] | 2,091 | 1,342 | 698 | 447 | 353 | 189 | 149 | 118 |
| 无负载电流[mA] | 107 | 98 | 104 | 102 | 99 | 100 | 98 | 98 |
| 堵转扭矩[mNm] | 66 | 104 | 179 | 280 | 356 | 598 | 758 | 961 |
| 堵转电流[mA] | 1,863 | |||||||
订购时的型号名称
BMS12-1503 + SSG12-16(15.79:1)的组合 → BMS12-1503S16
