在高负载下具有出色的耐用性,可进行高扭矩传输的行星减速机SPG12和无刷马达BMS12-15XX的组合。
SPG12行星减速机+ BMS12-15XX (通用规格组合)
| 减速比 | 3.5 | 4.8 | 12 | 23 | 43※ | 58 | 79※ | 107 | 150※ | 204※ | 375※ | 509 |
|---|---|---|---|---|---|---|---|---|---|---|---|---|
| 减速比(绝对值) | 3.50:1 | 4.75:1 | 12.25:1 | 22.56:1 | 42.88:1 | 58.19:1 | 78.97:1 | 107.17:1 | 150.06:1 | 203.66:1 | 375.10:1 | 509.07:1 |
| 阶数 | 1 | 1 | 2 | 2 | 3 | 3 | 3 | 3 | 4 | 4 | 4 | 4 |
| 效率[%] | 85 | 85 | 72 | 72 | 61 | 61 | 61 | 61 | 52 | 52 | 52 | 52 |
| 旋转方向 | = | = | = | = | = | = | = | = | = | = | = | = |
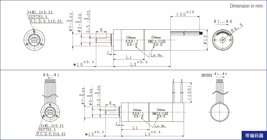
| 长度[mm] (马达+减速机=L2) |
29.2 | 29.2 | 33 | 33 | 36.8 | 36.8 | 36.8 | 36.8 | 40.7 | 40.7 | 40.7 | 40.7 |
| 长度[mm] (马达+减速机+编码器=L3) |
36.3 | 36.3 | 40.1 | 40.1 | 43.9 | 43.9 | 43.9 | 43.9 | 47.8 | 47.8 | 47.8 | 47.8 |
| 重量[g] (马达+减速机) |
20.4 | 20.4 | 22.9 | 22.9 | 25.4 | 25.4 | 25.4 | 25.4 | 27.9 | 27.9 | 27.9 | 27.9 |
| 最大允许扭矩(连续)[mNm] | 100 | |||||||||||
| 最大允许扭矩(断续)[mNm] | 200 | |||||||||||
※非标准齿轮
BMS12-1503P 额定电压: 7.4V
| 减速比 | 3.5 | 4.8 | 12 | 23 | 43※ | 58 | 79※ | 107 | 150※ | 204※ | 375※ | 509 |
|---|---|---|---|---|---|---|---|---|---|---|---|---|
| 额定扭矩[mNm] | 2 | 3 | 7 | 13 | 22 | 29 | 40 | 54 | 64 | 87 | 100 | 100 |
| 额定转速[rpm] | 6,129 | 4,535 | 1,777 | 966 | 508 | 374 | 276 | 203 | 145 | 107 | 62 | 47 |
| 无负载转速[rpm] | 7,289 | 5,315 | 2,082 | 1,132 | 595 | 438 | 323 | 238 | 170 | 125 | 68 | 50 |
| 无负载电流[mA] | 171 | 171 | 171 | 168 | 171 | 171 | 171 | 171 | 173 | 173 | 173 | 173 |
| 堵转扭矩[mNm] | 17 | 23 | 50 | 91 | 147 | 200 | 271 | 368 | 438 | 594 | 1,095 | 1,485 |
| 堵转电流[mA] | 2,349 | |||||||||||
BMS12-1506P 额定电压: 12V
| 减速比 | 3.5 | 4.8 | 12 | 23 | 43※ | 58 | 79※ | 107 | 150※ | 204※ | 375※ | 509 |
|---|---|---|---|---|---|---|---|---|---|---|---|---|
| 额定扭矩[mNm] | 3 | 4 | 8 | 14 | 23 | 31 | 43 | 58 | 69 | 93 | 100 | 100 |
| 额定转速[rpm] | 7,395 | 5,392 | 2,113 | 1,148 | 604 | 445 | 328 | 241 | 172 | 127 | 74 | 56 |
| 无负载转速[rpm] | 8,621 | 6,286 | 2,463 | 1,338 | 704 | 519 | 382 | 282 | 201 | 148 | 80 | 59 |
| 无负载电流[mA] | 130 | 130 | 130 | 129 | 130 | 130 | 130 | 130 | 131 | 131 | 131 | 131 |
| 堵转扭矩[mNm] | 18 | 25 | 55 | 101 | 163 | 221 | 300 | 407 | 484 | 656 | 1,209 | 1,641 |
| 堵转电流[mA] | 1,878 | |||||||||||
订购时的型号名称
BMS12-1503 + SPG12-12(12.25:1)的组合 → BMS12-1503P12
