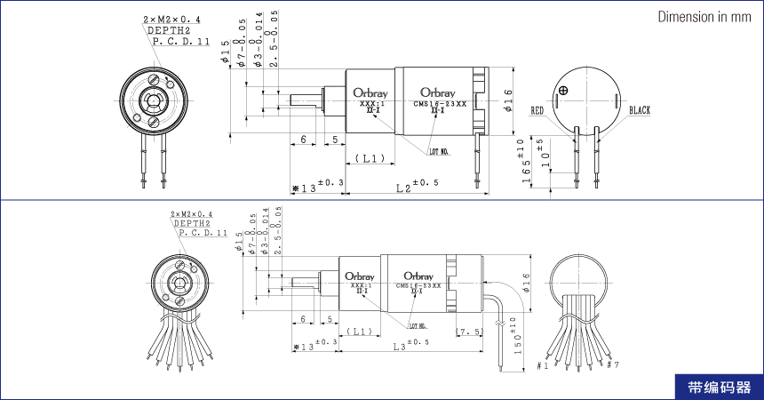
这是高效率/低噪音的正齿减速机SSG15和
有刷电机CMS16-23XX 的组合。
SSG15 正齿减速机+ CMS16-23XX (通用规格组合)
| 减速比 | 29 | 49 | 71 | 94 | 152※ | 198 | 302 | 438※ | 638※ |
|---|---|---|---|---|---|---|---|---|---|
| 减速比(绝对值) | 29.07:1 | 48.58:1 | 71.36:1 | 93.68:1 | 152.20:1 | 198.06:1 | 301.84.1 | 438.31:1 | 638.18:1 |
| 阶数 | 3 | 4 | 4 | 4 | 5 | 5 | 5 | 6 | 6 |
| 效率[%] | 73 | 66 | 66 | 66 | 59 | 59 | 59 | 53 | 53 |
| 旋转方向 | ≠ | = | = | = | ≠ | ≠ | ≠ | = | = |
| 长度[mm] (马达+减速机=L2) |
31.7 | 33.7 | 33.7 | 33.7 | 35.7 | 35.7 | 35.7 | 37.7 | 37.7 |
| 长度[mm] (马达+减速机+编码器=L3) |
38.2 | 40.2 | 40.2 | 40.2 | 42.2 | 42.2 | 42.2 | 44.2 | 44.2 | 重量[g] (马达+减速机) |
31.3 | 32.7 | 32.7 | 32.7 | 33.9 | 33.9 | 33.9 | 35.3 | 35.3 |
| 最大允许扭矩(连续)[mNm] | 15 | 24 | |||||||
| 最大允许扭矩(断续)[mNm] | 30 | 60 | |||||||
CMS16-2304S 额定电压: 7.4V
| 减速比 | 29 | 49 | 71 | 94 | 152※ | 198 | 302 | 438※ | 638※ |
|---|---|---|---|---|---|---|---|---|---|
| 额定扭矩[mNm] | 15 | 24 | 24 | 24 | 24 | 24 | 24 | 24 | 24 |
| 额定转速[rpm] | 458 | 273 | 191 | 148 | 92 | 71 | 47 | 33 | 23 |
| 无负载转速[rpm] | 498 | 298 | 203 | 155 | 95 | 73 | 48 | 33 | 23 |
| 无负载电流[mA] | 28 | 26 | 26 | 26 | 26 | 26 | 26 | 26 | 26 |
| 堵转扭矩[mNm] | 186 | 279 | 410 | 539 | 788 | 1,025 | 1,562 | 2,042 | 2,973 |
| 堵转电流[mA] | 1,849 | 1,849 | 1,849 | 1,849 | 1,849 | 1,849 | 1,849 | 1,849 | 1,849 |
CMS16-2309S 额定电压: 12V
| 减速比 | 29 | 49 | 71 | 94 | 152※ | 198 | 302 | 438※ | 638※ |
|---|---|---|---|---|---|---|---|---|---|
| 额定扭矩[mNm] | 15 | 24 | 24 | 24 | 24 | 24 | 24 | 24 | 24 |
| 额定转速[rpm] | 493 | 294 | 205 | 159 | 99 | 77 | 51 | 35 | 24 |
| 无负载转速[rpm] | 532 | 319 | 217 | 165 | 102 | 78 | 51 | 35 | 24 |
| 无负载电流[mA] | 19 | 17 | 18 | 18 | 17 | 17 | 17 | 17 | 17 |
| 堵转扭矩[mNm] | 205 | 308 | 452 | 594 | 868 | 1,130 | 1,722 | 2,251 | 3,277 |
| 堵转电流[mA] | 1,340 | 1,340 | 1,340 | 1,340 | 1,340 | 1,340 | 1,340 | 1,340 | 1,340 |
CMS16-2337S 额定电压: 24V
| 减速比 | 29 | 49 | 71 | 94 | 152※ | 198 | 302 | 438※ | 638※ |
|---|---|---|---|---|---|---|---|---|---|
| 额定扭矩[mNm] | 15 | 24 | 24 | 24 | 24 | 24 | 24 | 24 | 24 |
| 额定转速[rpm] | 522 | 311 | 218 | 169 | 105 | 82 | 54 | 37 | 26 |
| 无负载转速[rpm] | 568 | 341 | 232 | 177 | 109 | 84 | 55 | 38 | 26 |
| 无负载电流[mA] | 10 | 9 | 9 | 9 | 9 | 9 | 9 | 9 | 9 |
| 堵转扭矩[mNm] | 183 | 276 | 405 | 531 | 777 | 1,012 | 1,542 | 2,015 | 2,934 |
| 堵转电流[mA] | 643 | 643 | 643 | 643 | 643 | 643 | 643 | 643 | 643 |
订购时的型号名称
CMS16-2304 + SSG15-29(29.07:1)的组合 → CMS16-2304S29
