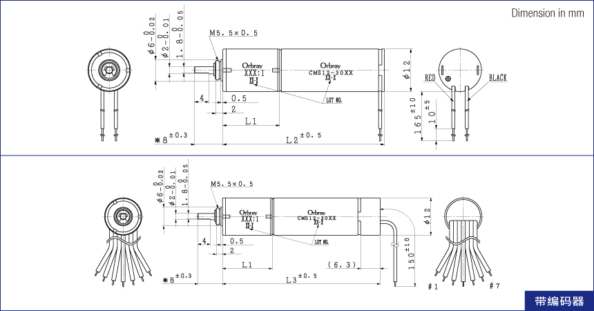
这是高效率/低噪音的正齿减速机SSG12 和
有刷电机CMS12-30XX 的组合。
SSG12 正齿减速机+ CMS12-30XX (通用规格组合)
| 减速比 | 16 | 25 | 47 | 74 | 94 | 175 | 222※ | 282 |
|---|---|---|---|---|---|---|---|---|
| 减速比(绝对值) | 15.79:1 | 24.70:1 | 47.36:1 | 74.10:1 | 93.86:1 | 175.50:1 | 222.30:1 | 281.58:1 |
| 阶数 | 3 | 3 | 4 | 4 | 4 | 5 | 5 | 5 |
| 效率[%] | 73 | 73 | 66 | 66 | 66 | 59 | 59 | 59 |
| 旋转方向 | ≠ | ≠ | = | = | = | ≠ | ≠ | ≠ |
| 长度[mm] (马达+减速机=L2) |
43.5 | 43.5 | 45.5 | 45.5 | 45.5 | 47.5 | 47.5 | 47.5 |
| 长度[mm] (马达+减速机+编码器=L3) |
49.1 | 49.1 | 51.1 | 51.1 | 51.1 | 53.1 | 53.1 | 53.1 |
| 重量[g] (马达+减速机) | 27.8 | 27.8 | 28.7 | 28.7 | 28.7 | 29.7 | 29.7 | 29.7 |
| 最大允许扭矩(连续) | 12 | 15 | ||||||
| 最大允许扭矩(断续) | 30 | |||||||
CMS12-3005S 额定电压: 7.4V
| 减速比 | 16 | 25 | 47 | 74 | 94 | 175 | 222※ | 282 |
|---|---|---|---|---|---|---|---|---|
| 额定扭矩[mNm] | 9 | 12 | 15 | 15 | 15 | 15 | 15 | 15 |
| 额定转速[rpm] | 751 | 488 | 260 | 170 | 135 | 73 | 58 | 46 |
| 无负载转速[rpm] | 827 | 529 | 276 | 176 | 139 | 74 | 59 | 46 |
| 无负载电流[mA] | 20 | 17 | 19 | 18 | 17 | 18 | 17 | 17 |
| 堵转扭矩[mNm] | 98 | 154 | 265 | 415 | 526 | 885 | 1,121 | 1,420 |
| 堵转电流[mA] | 1,614 | 1,614 | 1,614 | 1,614 | 1,614 | 1,614 | 1,614 | 1,614 |
CMS12-3010S 额定电压: 12V
| 减速比 | 16 | 25 | 47 | 74 | 94 | 175 | 222※ | 282 |
|---|---|---|---|---|---|---|---|---|
| 额定扭矩[mNm] | 10 | 12 | 15 | 15 | 15 | 15 | 15 | 15 |
| 额定转速[rpm] | 865 | 564 | 300 | 196 | 156 | 84 | 67 | 53 |
| 无负载转速[rpm] | 949 | 607 | 316 | 202 | 160 | 85 | 67 | 53 |
| 无负载电流[mA] | 14 | 12 | 13 | 13 | 12 | 13 | 12 | 12 |
| 堵转扭矩[mNm] | 108 | 169 | 291 | 456 | 578 | 973 | 1,233 | 1,562 |
| 堵转电流[mA] | 1,254 | 1,254 | 1,254 | 1,254 | 1,254 | 1,254 | 1,254 | 1,254 |
※非标准齿轮
订购时的型号名称
CMS12-3005+SSG12-16(15.79:1)的组合 → CMS12-3005S16
