贵金属电刷・套筒轴承
CMS12-30 技术参数
| CMS12-3005 | CMS12-3010 | |
|---|---|---|
| 额定电压[V] | 7.4 | 12 |
| 无负载转速[rpm] | 13,100 | 15,000 |
| 无负载电流[mA] | 17 | 12 |
| 堵转扭矩[mNm] | 8.54 | 9.40 |
| 堵转电流[mA] | 1,614 | 1,254 |
| 最大输出功率[W] | 2.9 | 3.7 |
| 最大效率[%] | 81 | 82 |
| 端子间电阻[Ω] | 4.59 | 9.57 |
| 额定扭矩[mNm] | 0.78 | 0.83 |
| 额定转速[rpm] | 11,900 | 13,700 |
| 额定电流[mA] | 163 | 121 |
| 空载损耗转矩[mNm] | 0.09 | 0.09 |
| 反电动势常数[mV/rpm] | 0.560 | 0.792 |
| 扭矩常数[mNm/A] | 5.35 | 7.57 |
| 转数/扭矩斜率[rpm/mNm] | 1,531 | 1,597 |
| 機械时间常数[ms] | 4.76 | 5.57 |
| 转子转动惯量[gcm2] | 0.30 | 0.33 |
| 最大允许扭矩[mNm] | 2.85 | 3.13 |
| 电感[mH] @1kHz | 0.039 | 0.032 |
| 热阻 Rth1(线圈-壳体间)[K/W] | 12 | 12 |
| 热阻 Rth2(壳体-外界空气间)[K/W] | 48 | 48 |
| 输出轴径向游隙[mm] | 0.05 | |
| 输出轴轴向游隙[mm] | 0.03~0.2 | |
| 输出轴最大径向负载[N] | 0.5(5mm ※1) | |
| 输出轴最大轴向负载[N] | 0.15 | |
| 静止状态下输出轴最大轴向负载[N] | 7.8 | |
| 运行温度范围[℃] | -20~+60 | |
| 绕组最高温度[℃] | 80 | |
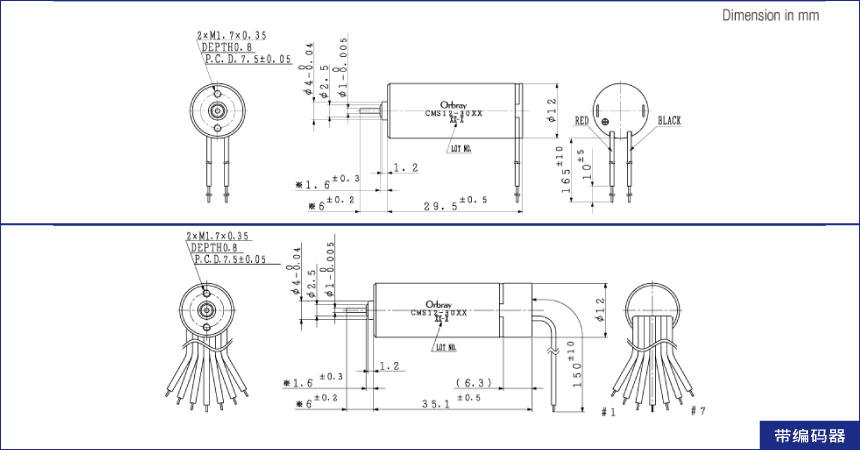
| 重量[g] | 19.5 | |
※1 尺寸从马达法兰面开始测量。
配列
| CMS12-3005 / CMS12-3010 | ||
|---|---|---|
| #1 or Red Lead Wire | Motor Vin (+) | |
| #2 | Encoder Vcc | |
| #3 | Encoder Ch.A | |
| #4 | Encoder Ch.B | |
| #5 | (Encoder Ch.Z) | |
| #6 | Encoder GND | |
| #7 or Black Lead Wire | Motor GND (-) | |
特性图
