这是高效率/低噪音的正齿减速机SSG12 和
有刷电机CMS12-20XX 的组合。
SSG12 正齿减速机+ CMS12-20XX (通用规格组合)
| 减速比 | 16 | 25 | 47 | 74 | 94 | 175 | 222※ | 282 |
|---|---|---|---|---|---|---|---|---|
| 减速比(绝对值) | 15.79:1 | 24.70:1 | 47.36:1 | 74.10:1 | 93.86:1 | 175.50:1 | 222.30:1 | 281.58:1 |
| 阶数 | 3 | 3 | 4 | 4 | 4 | 5 | 5 | 5 |
| 效率[%] | 73 | 73 | 66 | 66 | 66 | 59 | 59 | 59 |
| 旋转方向 | ≠ | ≠ | = | = | = | ≠ | ≠ | ≠ |
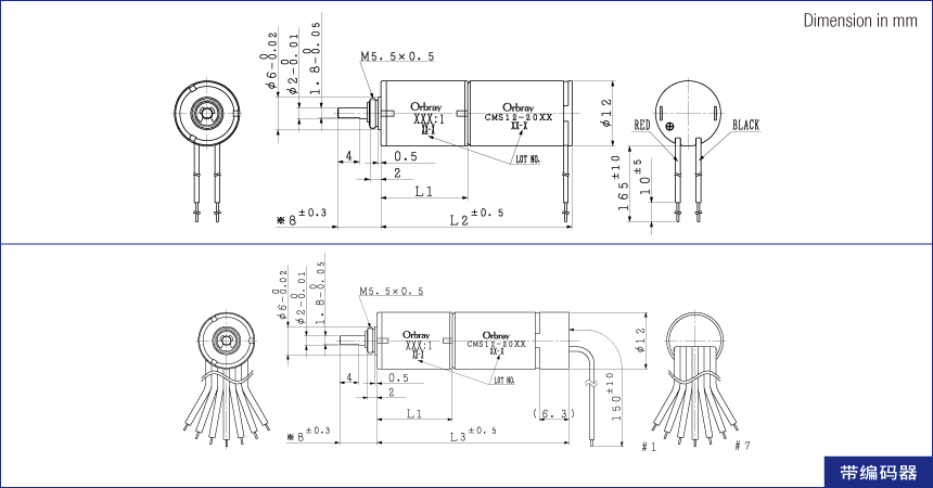
| 长度[mm] (马达+减速机=L2) |
33.2 | 33.2 | 35.2 | 35.2 | 35.2 | 37.2 | 37.2 | 37.2 |
| 长度mm] (马达+减速机+编码器=L3) |
38.8 | 38.8 | 40.8 | 40.8 | 40.8 | 42.8 | 42.8 | 42.8 |
| 重量[g] (马达+减速机) |
20.1 | 20.1 | 21 | 21 | 21 | 22 | 22 | 22 |
| 最大允许扭矩(连续) | 12 | 15 | ||||||
| 最大允许扭矩(断续) | 30 | |||||||
CMS12-2004S 额定电压: 7.4V
| 减速比 | 16 | 25 | 47 | 74 | 94 | 175 | 222※ | 282 |
|---|---|---|---|---|---|---|---|---|
| 额定扭矩[mNm] | 5 | 8 | 14 | 15 | 15 | 15 | 15 | 15 |
| 额定转速[rpm] | 1,290 | 825 | 429 | 282 | 225 | 123 | 98 | 77 |
| 无负载转速[rpm] | 1,400 | 897 | 467 | 298 | 236 | 126 | 100 | 79 |
| 无负载电流[mA] | 21 | 15 | 19 | 17 | 15 | 16 | 15 | 15 |
| 堵转扭矩[mNm] | 63 | 98 | 170 | 266 | 337 | 566 | 718 | 910 |
| 堵转电流[mA] | 1,744 | 1,744 | 1,744 | 1,744 | 1,744 | 1,744 | 1,744 | 1,744 |
CMS12-2010S 额定电压: 12V
| 减速比 | 16 | 25 | 47 | 74 | 94 | 175 | 222※ | 282 |
|---|---|---|---|---|---|---|---|---|
| 额定扭矩[mNm] | 5 | 8 | 14 | 15 | 15 | 15 | 15 | 15 |
| 额定转速[rpm] | 1,340 | 858 | 446 | 293 | 234 | 128 | 101 | 80 |
| 无负载转速[rpm] | 1,450 | 930 | 484 | 310 | 245 | 131 | 103 | 82 |
| 无负载电流[mA] | 14 | 10 | 12 | 11 | 10 | 10 | 9 | 9 |
| 堵转扭矩[mNm] | 66 | 104 | 179 | 280 | 355 | 596 | 756 | 958 |
| 堵转电流[mA] | 1,173 | 1,173 | 1,173 | 1,173 | 1,173 | 1,173 | 1,173 | 1,173 |
※非标准齿轮
订购时的型号名称
CMS12-2004 + SSG12-16(15.79:1)的组合 → CMS12-2004S16
