这是高效率/低噪音的正齿减速机SSG10 和
无刷电机BMS10-18XX 的组合。
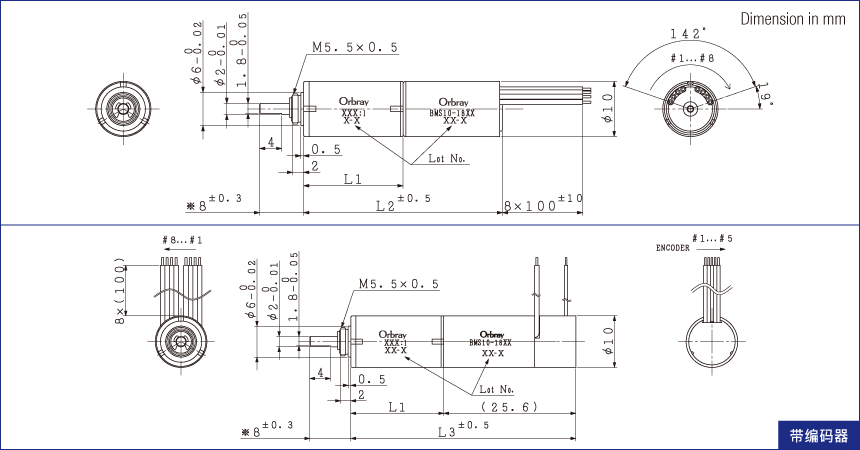
SSG10 正齿减速机+ BMS10-18XX (通用规格组合)
| 减速比 | 15 | 29 | 49 | 72 | 93 | 156※ | 200※ | 262 |
|---|---|---|---|---|---|---|---|---|
| 减速比(绝对值) | 15.40:1 | 29.25:1 | 48.75:1 | 72.29:1 | 93.43:1 | 155.56:1 | 199.64:1 | 261.59:1 |
| 阶数 | 3 | 4 | 5 | 5 | 5 | 6 | 6 | 6 |
| 效率[%] | 73 | 66 | 59 | 59 | 59 | 53 | 53 | 53 |
| 旋转方向 | ≠ | = | ≠ | ≠ | ≠ | = | = | = |
| 长度[mm] (马达+减速机=L2) |
32 | 34 | 36 | 36 | 36 | 38 | 38 | 38 |
| 长度[mm] (马达+减速机+编码器=L3) |
39.6 | 41.6 | 43.6 | 43.6 | 43.6 | 45.6 | 45.6 | 45.6 |
| 重量[g] (马达+减速机) |
12.9 | 13.7 | 14.5 | 14.5 | 14.5 | 15.4 | 15.4 | 15.4 |
| 最大允许扭矩(连续)[mNm] | 12 | |||||||
| 最大允许扭矩(断续)[mNm] | 30 | |||||||
※ 非标准齿轮
BMS10-1803S 额定电压: 7.4V
| 减速比※ | 15 | 29 | 49 | 72 | 93 | 156※ | 200※ | 262 |
|---|---|---|---|---|---|---|---|---|
| 额定扭矩[mNm] | 7 | 12 | 12 | 12 | 12 | 12 | 12 | 12 |
| 额定转速[rpm] | 1,730 | 917 | 581 | 404 | 318 | 195 | 153 | 117 |
| 无负载转速[rpm] | 2,020 | 1,060 | 640 | 431 | 334 | 201 | 157 | 120 |
| 无负载电流[mA] | 77 | 74 | 72 | 72 | 70 | 66 | 66 | 66 |
| 堵转扭矩[mNm] | 51 | 87 | 130 | 193 | 250 | 375 | 481 | 630 |
| 堵转电流[mA] | 2,477 | |||||||
※ 非标准齿轮
BMS10-1806S 额定电压: 12V
| 减速比※ | 15 | 29 | 49 | 72 | 93 | 156※ | 200※ | 262 |
|---|---|---|---|---|---|---|---|---|
| 额定扭矩[mNm] | 8 | 12 | 12 | 12 | 12 | 12 | 12 | 12 |
| 额定转速[rpm] | 1,800 | 973 | 611 | 424 | 332 | 203 | 159 | 122 |
| 无负载转速[rpm] | 2,110 | 1,110 | 664 | 448 | 347 | 209 | 163 | 124 |
| 无负载电流[mA] | 77 | 75 | 74 | 74 | 72 | 70 | 70 | 70 |
| 堵转扭矩[mNm] | 59 | 100 | 150 | 223 | 289 | 433 | 556 | 728 |
| 堵转电流[mA] | 1,880 | |||||||
※ 非标准齿轮
订购时的型号名称
BMS10-1803 + SSG10-15(15.40:1)的组合 → BMS10-1803S15
