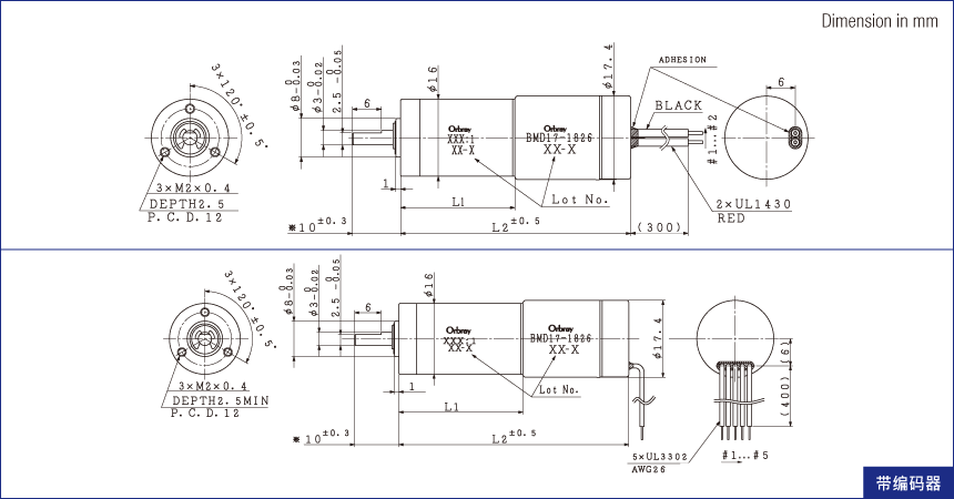
在高负载下具有出色的耐用性,可进行高扭矩传输的行星减速机SPG16和无刷马达BMD17-18XX的组合。
SPG16行星减速机+ BMD17-18XX(通用规格组合)
| 减速比 | 3.6 | 4.7 | 13 | 22 | 47※ | 61 | 80※ | 105 | 168※ | 220※ | 288※ | 377※ | 494※ |
|---|---|---|---|---|---|---|---|---|---|---|---|---|---|
| 减速比(绝对值) | 3.60:1 | 4.71:1 | 12.96:1 | 22.22:1 | 46.66:1 | 61.10:1 | 80.01:1 | 104.77:1 | 167.96:1 | 219.95:1 | 288.03:1 | 377.18:1 | 493.93:1 |
| 阶数 | 1 | 1 | 2 | 2 | 3 | 3 | 3 | 3 | 4 | 4 | 4 | 4 | 4 |
| 效率[%] | 85 | 85 | 72 | 72 | 61 | 61 | 61 | 61 | 52 | 52 | 52 | 52 | 52 |
| 旋转方向 | = | = | = | = | = | = | = | = | = | = | = | = | = |
| 长度[mm] (马达+减速机=L2) |
39.2 | 39.2 | 43.4 | 43.4 | 47.6 | 47.6 | 47.6 | 47.6 | 51.9 | 51.9 | 51.9 | 51.9 | 51.9 |
| 长度[mm] (马达+减速机+编码器=L3) |
- | - | - | - | - | - | - | - | - | - | - | - | - |
| 重量[g] (马达+减速机) |
45 | 45 | 49.5 | 49.5 | 54 | 54 | 54 | 54 | 58.5 | 58.5 | 58.5 | 58.5 | 58.5 |
| 最大允许扭矩(连续)[mNm] | 200 | ||||||||||||
| 最大允许扭矩(断续)[mNm] | 400 | ||||||||||||
※非标准齿轮
BMD17-1826P 额定电压: 24V
| 减速比 | 3.6 | 4.7 | 13 | 22 | 47※ | 61 | 80※ | 105 | 168※ | 220※ | 288※ | 377※ | 494※ |
|---|---|---|---|---|---|---|---|---|---|---|---|---|---|
| 额定扭矩[mNm] | 5 | 7 | 16 | 27 | 48 | 63 | 83 | 109 | 148 | 200 | 200 | 200 | 200 |
| 额定转速[rpm] | 4,453 | 3,430 | 1,237 | 715 | 344 | 263 | 200 | 153 | 95 | 72 | 58 | 45 | 36 |
| 无负载转速[rpm] | 5,247 | 4,037 | 1,457 | 843 | 406 | 310 | 236 | 180 | 112 | 86 | 66 | 50 | 38 |
| 无负载电流[mA] | 133 | 126 | 133 | 141 | 131 | 131 | 134 | 134 | 134 | 134 | 134 | 134 | 134 |
| 堵转扭矩[mNm] | 34 | 45 | 104 | 178 | 320 | 420 | 548 | 718 | 978 | 1,281 | 1,677 | 2,196 | 2,876 |
| 堵转电流[mA] | 1,171 | ||||||||||||
订购时的型号名称
BMD17-1826 + SPG16(3.60:1)的组合 → BMD17-1826P3.6
