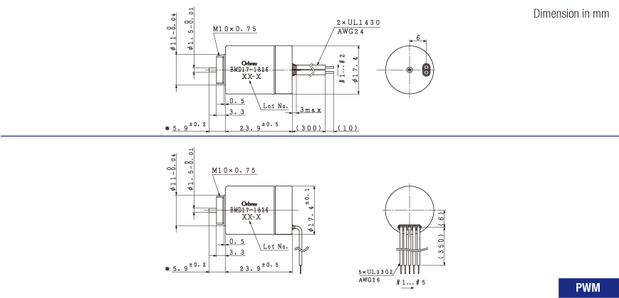
带霍尔传感器・套筒轴承
BMD17-1826 技术参数
| BMS17-1826 | |
|---|---|
| 额定电压[V] | 24 |
| 无负载转速[rpm] | 20,400 |
| 无负载电流[mA] | 25 |
| 堵转扭矩[mNm] | 9.94 |
| 堵转电流[mA] | 934 |
| 最大输出功率[W] | 5.3 |
| 最大效率[%] | 70 |
| 端子间电阻[Ω] | 20.70 |
| 额定扭矩[mNm] | 1.40 |
| 额定转速[rpm] | 17,532 |
| 额定电流[mA] | 153 |
| 空载损耗转矩[mNm] | 0.27 |
| 反电动势常数[mV/rpm] | 1.145 |
| 機械时间常数[mNm/A] | 10.93 |
| 转数/扭矩斜率[rpm/mNm] | 2,053 |
| 機械时间常数[ms] | 10.85 |
| 转子转动惯量[gcm2] | 0.40 |
| 最大允许扭矩[mNm] | 3.31 |
| 电感[mH] @1kHz | TBD |
| 热阻 Rth1(线圈-壳体间)[K/W] | TBD |
| 热阻 Rth2(壳体-外界空气间)[K/W] | TBD |
| 输出轴径向游隙[mm] | 0.05 |
| 输出轴轴向游隙[mm] | 0.02~0.2 |
| 输出轴最大径向负载[N] | 0.5(4.9mm ※1) |
| 输出轴最大轴向负载[N] | 0.15 |
| 静止状态下输出轴最大轴向负载[N] | 7.8 |
| 运行温度范围[℃] | -20~+80 |
| 绕组最高温度[℃] | 90 |
| 重量[g] | 25 |
※1 尺寸从马达法兰面开始测量。
配列
| BMD17-1826 | |||
|---|---|---|---|
| DC驱动 | #1 | GND | CW |
| #2 | 24V | CW | |
| 通过反转电源极性,可使电机逆时针旋转(接法:#1:24V, #2:GND) | |||
| PWM驱动 | #1 | Vcc 24V | |
| #2 | GND | ||
| #3 | PWM (in) | Hi :3~5V , Low :≦0.7V, PWM Frequency : 10kHz~50kHz | |
| #4 | CW/CCW (in) | Hi(3V~5V)→CW , Open→CW , Low(≦0.7V)→CCW | |
| #5 | FG (out) | 1pulse/1rev (Hi :4V~5V , Low :≦0.7V) | |
特性图
