在高负载下具有出色的耐用性,可进行高扭矩传输的行星减速机SPG12和有刷马达CMS12-30XX的组合。
SPG12 行星减速机+ CMS12-30XX (通用规格组合)
| 减速比 | 3.5 | 4.8 | 12 | 23 | 43※ | 58 | 79※ | 107 | 150※ | 204※ | 375※ | 509 |
|---|---|---|---|---|---|---|---|---|---|---|---|---|
| 减速比(绝对值) | 3.50:1 | 4.75:1 | 12.25:1 | 22.56:1 | 42.88:1 | 58.19:1 | 78.97:1 | 107.17:1 | 150.06:1 | 203.66:1 | 375.10:1 | 509.07:1 |
| 阶数 | 1 | 1 | 2 | 2 | 3 | 3 | 3 | 3 | 4 | 4 | 4 | 4 |
| 效率[%] | 85 | 85 | 72 | 72 | 61 | 61 | 61 | 61 | 52 | 52 | 52 | 52 |
| 旋转方向 | = | = | = | = | = | = | = | = | = | = | = | = |
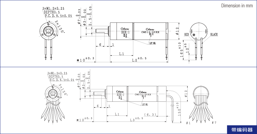
| 长度[mm] (马达+减速机=L2) |
43.7 | 43.7 | 47.5 | 47.5 | 51.3 | 51.3 | 51.3 | 51.3 | 55.2 | 55.2 | 55.2 | 55.2 |
| 长度[mm] (马达+减速机+编码器=L3) |
49.3 | 49.3 | 53.1 | 53.1 | 56.9 | 56.9 | 56.9 | 56.9 | 60.8 | 60.8 | 60.8 | 60.8 |
| 重量[g] (马达+减速机) |
31.1 | 31.1 | 33.6 | 33.6 | 36.1 | 36.1 | 36.1 | 36.1 | 38.6 | 38.6 | 38.6 | 38.6 |
| 最大允许扭矩(连续)[mNm] | 100 | |||||||||||
| 最大允许扭矩(断续)[mNm] | 200 | |||||||||||
CMS12-3005P 额定电压:7.4V
| 减速比 | 3.5 | 4.8 | 12 | 23 | 43※ | 58 | 79※ | 107 | 150※ | 204※ | 375※ | 509 |
|---|---|---|---|---|---|---|---|---|---|---|---|---|
| 额定扭矩[mNm] | 2 | 3 | 7 | 13 | 21 | 28 | 38 | 52 | 61 | 83 | 100 | 100 |
| 额定转速[rpm] | 3,350 | 2,440 | 957 | 520 | 273 | 201 | 148 | 109 | 78 | 57 | 32 | 24 |
| 无负载转速[rpm] | 3,690 | 2,690 | 1,050 | 574 | 301 | 222 | 164 | 121 | 86 | 63 | 34 | 25 |
| 无负载电流[mA] | 36 | 36 | 36 | 34 | 36 | 36 | 36 | 36 | 37 | 37 | 37 | 37 |
| 堵转扭矩[mNm] | 25 | 34 | 75 | 138 | 222 | 302 | 409 | 555 | 661 | 897 | 1,651 | 2,241 |
| 堵转电流[mA] | 1,614 | 1,614 | 1,614 | 1,614 | 1,614 | 1,614 | 1,614 | 1,614 | 1,614 | 1,614 | 1,614 | 1,614 |
CMS12-3010P 额定电压: 12V
| 减速比 | 3.5 | 4.8 | 12 | 23 | 43※ | 58 | 79※ | 107 | 150※ | 204※ | 375※ | 509 |
|---|---|---|---|---|---|---|---|---|---|---|---|---|
| 额定扭矩[mNm] | 2 | 3 | 7 | 13 | 22 | 30 | 40 | 54 | 65 | 88 | 100 | 100 |
| 额定转速[rpm] | 3,860 | 2,810 | 1,100 | 600 | 315 | 232 | 171 | 126 | 90 | 66 | 37 | 28 |
| 无负载转速[rpm] | 4,240 | 3,090 | 1,210 | 658 | 346 | 255 | 188 | 138 | 99 | 73 | 40 | 29 |
| 无负载电流[mA] | 26 | 26 | 26 | 25 | 26 | 26 | 26 | 27 | 27 | 27 | 27 | 27 |
| 堵转扭矩[mNm] | 28 | 38 | 82 | 152 | 245 | 332 | 450 | 611 | 727 | 986 | 1,817 | 2,466 |
| 堵转电流[mA] | 1,254 | 1,254 | 1,254 | 1,254 | 1,254 | 1,254 | 1,254 | 1,254 | 1,254 | 1,254 | 1,254 | 1,254 |
※非标准齿轮
订购时的型号名称
CMS12-3005 + SPG12-3.5(3.50:1)的组合 → CMS12-3005P3.5
