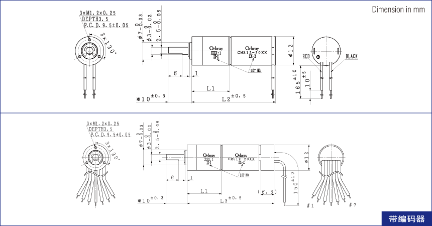
在高负载下具有出色的耐用性,可进行高扭矩传输的行星减速机SPG12和有刷马达CMS12-20XX的组合。
SPG12 行星减速机+ CMS12-20XX (通用规格组合)
| 减速比 | 3.5 | 4.8 | 12 | 23 | 43※ | 58 | 79※ | 107 | 150※ | 204※ | 375※ | 509 |
|---|---|---|---|---|---|---|---|---|---|---|---|---|
| 减速比(绝对值) | 3.50:1 | 4.75:1 | 12.25:1 | 22.56:1 | 42.88:1 | 58.19:1 | 78.97:1 | 107.17:1 | 150.06:1 | 203.66:1 | 375.10:1 | 509.07:1 |
| 阶数 | 1 | 1 | 2 | 2 | 3 | 3 | 3 | 3 | 4 | 4 | 4 | 4 |
| 效率[%] | 85 | 85 | 72 | 72 | 61 | 61 | 61 | 61 | 52 | 52 | 52 | 52 |
| 旋转方向 | = | = | = | = | = | = | = | = | = | = | = | = |
| 长度[mm] (马达+减速机=L2) |
33.4 | 33.4 | 37.2 | 37.2 | 41 | 41 | 41 | 41 | 44.9 | 44.9 | 44.9 | 44.9 |
| 长度[mm] (马达+减速机+编码器=L3) |
39 | 39 | 42.8 | 42.8 | 46.6 | 46.6 | 46.6 | 46.6 | 50.5 | 50.5 | 50.5 | 50.5 |
| 重量[g] (马达+减速机) |
23.4 | 23.4 | 25.9 | 25.9 | 28.4 | 28.4 | 28.4 | 28.4 | 30.9 | 30.9 | 30.9 | 30.9 |
| 最大允许扭矩(连续)[mNm] | 100 | |||||||||||
| 最大允许扭矩(断续)[mNm] | 200 | |||||||||||
CMS12-2004P 额定电压: 7.4V
| 减速比 | 3.5 | 4.8 | 12 | 23 | 43※ | 58 | 79※ | 107 | 150※ | 204※ | 375※ | 509 |
|---|---|---|---|---|---|---|---|---|---|---|---|---|
| 额定扭矩[mNm] | 1 | 2 | 4 | 7 | 11 | 16 | 21 | 29 | 34 | 46 | 85 | 100 |
| 额定转速[rpm] | 5,670 | 4,140 | 1,620 | 882 | 463 | 341 | 251 | 185 | 132 | 97 | 53 | 39 |
| 无负载转速[rpm] | 6,180 | 4,500 | 1,760 | 960 | 504 | 372 | 274 | 202 | 144 | 106 | 58 | 42 |
| 无负载电流[mA] | 56 | 56 | 56 | 54 | 56 | 56 | 56 | 57 | 58 | 58 | 58 | 58 |
| 堵转扭矩[mNm] | 16 | 22 | 47 | 87 | 141 | 191 | 259 | 351 | 418 | 567 | 1,044 | 1,417 |
| 堵转电流[mA] | 1,744 | 1,744 | 1,744 | 1,744 | 1,744 | 1,744 | 1,744 | 1,744 | 1,744 | 1,744 | 1,744 | 1,744 |
CMS12-2010P 额定电压: 12V
| 减速比 | 3.5 | 4.8 | 12 | 23 | 43※ | 58 | 79※ | 107 | 150※ | 204※ | 375※ | 509 |
|---|---|---|---|---|---|---|---|---|---|---|---|---|
| 额定扭矩[mNm] | 1 | 2 | 4 | 7 | 12 | 16 | 22 | 29 | 35 | 48 | 88 | 100 |
| 额定转速[rpm] | 5,900 | 4,300 | 1,690 | 917 | 482 | 355 | 262 | 193 | 137 | 101 | 55 | 41 |
| 无负载转速[rpm] | 6,410 | 4,670 | 1,830 | 996 | 523 | 386 | 284 | 209 | 149 | 110 | 60 | 44 |
| 无负载电流[mA] | 36 | 36 | 36 | 35 | 36 | 36 | 36 | 37 | 38 | 38 | 38 | 38 |
| 堵转扭矩[mNm] | 17 | 23 | 50 | 92 | 148 | 201 | 273 | 370 | 440 | 597 | 1,100 | 1,494 |
| 堵转电流[mA] | 1,173 | 1,173 | 1,173 | 1,173 | 1,173 | 1,173 | 1,173 | 1,173 | 1,173 | 1,173 | 1,173 | 1,173 |
※非标准齿轮
订购时的型号名称
CMS12-2004+ SPG12-3.5(3.50:1)的组合 → CMS12-2004P3.5
