在高负载下具有出色的耐用性,可进行高扭矩传输的行星减速机SPG04MIM和无刷马达BMN04-0829的组合。
SPG04MIM 行星减速机+ BMN04-0829 (通用规格组合)
| 减速比 | 4.3 | 18 | 79 | 337 |
|---|---|---|---|---|
| 减速比(绝对值) | 4.29:1 | 18.37:1 | 78.72:1 | 337.36:1 |
| 阶数 | 1 | 2 | 3 | 4 |
| 效率[%] | 85 | 72 | 61 | 52 |
| 旋转方向 | = | = | = | = |
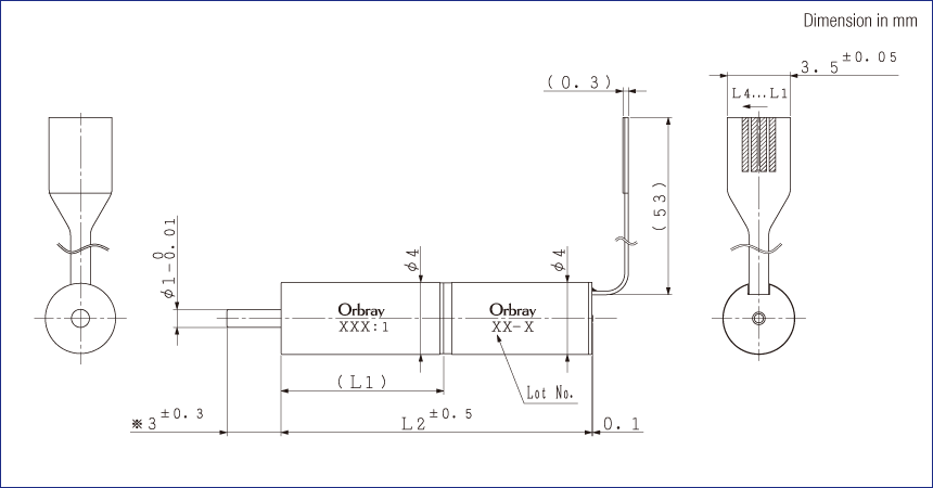
| 长度[mm] (马达+减速机=L2) |
14.8 | 16.0 | 17.2 | 18.4 |
| 长度[mm] (马达+减速机+编码器=L3) |
- | - | - | - |
| 重量[g] (马达+减速机) |
1.1 | 1.2 | 1.2 | 1.3 |
| 最大允许扭矩(连续)[mNm] | TBD | |||
| 最大允许扭矩(断续)[mNm] | TBD | |||
BMN04-0829P 额定电压: 3V
| 减速比 | 4.3 | 18 | 79 | 337 |
|---|---|---|---|---|
| 额定扭矩[mNm] | 0.02 | 0.07 | 0.2 | 0.9 |
| 额定转速[rpm] | 6,440 | 1,500 | 351 | 82 |
| 无负载转速[rpm] | 7,690 | 1,790 | 420 | 98 |
| 无负载电流[mA] | 39 | 39 | 39 | 39 |
| 堵转扭矩[mNm] | 0.11 | 0.41 | 1.49 | 5.44 |
| 堵转电流[mA] | 98 | 98 | 98 | 98 |
订购时的型号名称
BMN04-0829 + SPG4-4.3(4.29:1)的组合 → BMN04-0829P4.3
