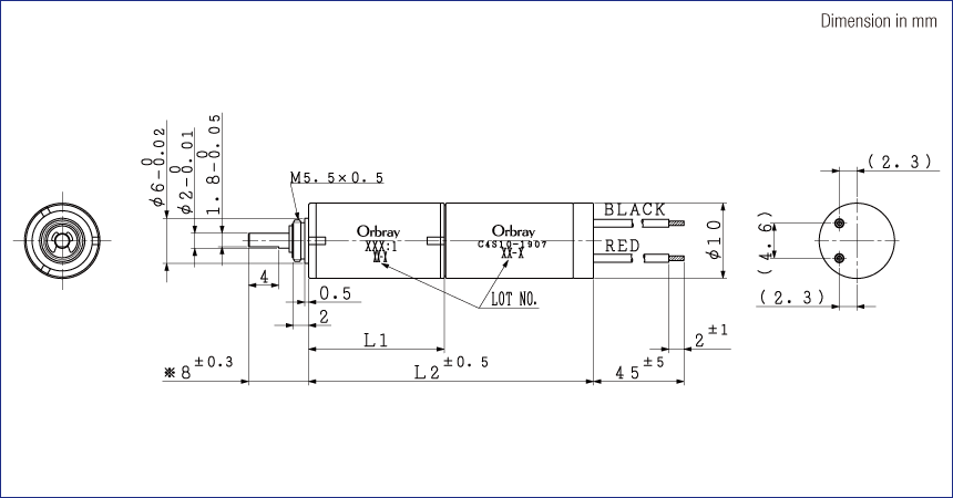
SSG10 正齿减速机+ C4S10-1907 (通用规格组合)
| 减速比 | 15 | 29 | 49 | 72 | 93 | 156※ | 200※ | 262 |
|---|---|---|---|---|---|---|---|---|
| 減速比(絶対値) | 15.40:1 | 29.25:1 | 48.75:1 | 72.29:1 | 93.43:1 | 155.56:1 | 199.64:1 | 261.59:1 |
| 阶数 | 3 | 4 | 5 | 5 | 5 | 6 | 6 | 6 |
| 效率[%] | 73 | 66 | 59 | 59 | 59 | 53 | 53 | 53 |
| 旋转方向 | ≠ | = | ≠ | ≠ | ≠ | = | = | = |
| 长度[mm] (马达+减速机=L2) |
33.8 | 35.8 | 37.8 | 37.8 | 37.8 | 39.8 | 39.8 | 39.8 |
| 重量[g] (马达+减速机) |
14 | 14.8 | 15.6 | 15.6 | 15.6 | 16.5 | 16.5 | 16.5 |
| 最大允许扭矩(连续)[mNm] | 12 | |||||||
| 最大允许扭矩(断续)[mNm] | 30 | |||||||
※非标准齿轮
C4S10-1907S 额定电压:7.4V
| 减速比 | 15 | 29 | 49 | 72 | 93 | 156※ | 200※ | 262 |
|---|---|---|---|---|---|---|---|---|
| 额定扭矩[mNm] | 4 | 8 | 12 | 12 | 12 | 12 | 12 | 12 |
| 额定转速[rpm] | 980 | 514 | 308 | 214 | 168 | 103 | 81 | 62 |
| 无负载转速[rpm] | 1,070 | 563 | 338 | 228 | 176 | 106 | 83 | 63 |
| 无负载电流[mA] | 17 | 16 | 16 | 16 | 15 | 14 | 14 | 14 |
| 堵转扭矩[mNm] | 52 | 88 | 133 | 197 | 254 | 381 | 489 | 641 |
| 堵转电流[mA] | 1,104 | 1,104 | 1,104 | 1,104 | 1,104 | 1,104 | 1,104 | 1,104 |
订购时的型号名称
C4S10-1907+SSG10-15(15.40:1)的组合 → C4S10-1907S15
