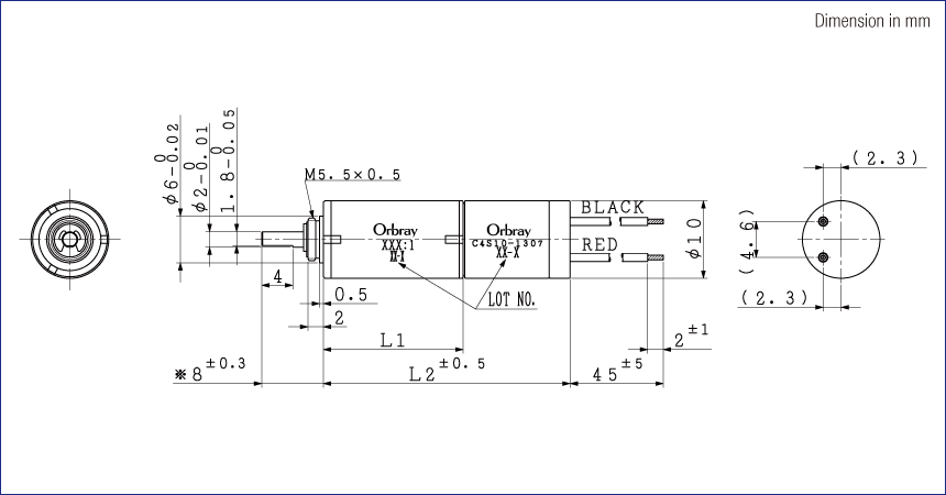
SSG10 正齿减速机+ C4S10-1307 (通用规格组合)
| 减速比 | 15 | 29 | 49 | 72 | 93 | 156※ | 200※ | 262 |
|---|---|---|---|---|---|---|---|---|
| 減速比(絶対値) | 15.40:1 | 29.25:1 | 48.75:1 | 72.29:1 | 93.43:1 | 155.56:1 | 199.64:1 | 261.59:1 |
| 阶数 | 3 | 4 | 5 | 5 | 5 | 6 | 6 | 6 |
| 效率[%] | 73 | 66 | 59 | 59 | 59 | 53 | 53 | 53 |
| 旋转方向 | ≠ | = | ≠ | ≠ | ≠ | = | = | = |
| 长度[mm] (马达+减速机=L2) |
27.8 | 29.8 | 31.8 | 31.8 | 31.8 | 33.8 | 33.8 | 33.8 |
| 重量[g] (马达+减速机) |
10.9 | 11.7 | 12.5 | 12.5 | 12.5 | 13.4 | 13.4 | 13.4 |
| 最大允许扭矩(连续)[mNm] | 12 | |||||||
| 最大允许扭矩(断续)[mNm] | 30 | |||||||
※非标准齿轮
C4S10-1307S 额定电压:4.7V
| 减速比 | 15 | 29 | 49 | 72 | 93 | 156※ | 200※ | 262 |
|---|---|---|---|---|---|---|---|---|
| 额定扭矩[mNm] | 2 | 4 | 5 | 8 | 10 | 12 | 12 | 12 |
| 额定转速[rpm] | 930 | 488 | 293 | 198 | 153 | 95 | 76 | 59 |
| 无负载转速[rpm] | 1,050 | 552 | 332 | 224 | 173 | 104 | 81 | 62 |
| 无负载电流[mA] | 34 | 33 | 32 | 32 | 31 | 29 | 29 | 29 |
| 堵转扭矩[mNm] | 18 | 32 | 47 | 70 | 91 | 137 | 176 | 230 |
| 堵转电流[mA] | 657 | 657 | 657 | 657 | 657 | 657 | 657 | 657 |
订购时的型号名称
C4S10-1307+SSG10-15(15.40:1)的组合 → C4S10-1307S15
