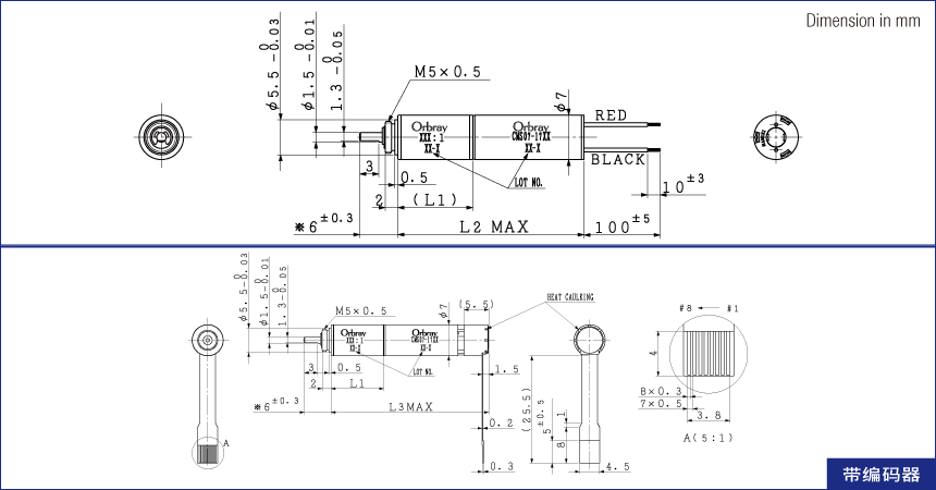
在高负载下具有出色的耐用性,可进行高扭矩传输的行星减速机SPG07和有刷马达CMS07-17XX的组合。
SPG07 行星减速机+CMS07-17XX (通用规格组合)
| 减速比 | 4.7 | 22 | 105 | 494 |
|---|---|---|---|---|
| 减速比(绝对值) | 4.71:1 | 22.22:1 | 104.77:1 | 493.93:1 |
| 阶数 | 1 | 2 | 3 | 4 |
| 效率 | 85 | 72 | 61 | 52 |
| 旋转方向 ※1 | = | = | = | = |
| 长度[mm] (马达+减速机=L2) |
24.9 | 27.1 | 29.3 | 31.6 |
| 长度[mm] (马达+减速机+编码器=L3) |
31.4 | 33.6 | 35.8 | 38.1 |
| 重量[g] (马达+减速机) |
5.5 | 6 | 6.5 | 7 |
| 最大允许扭矩(连续)[mNm] | 10 | |||
| 最大允许扭矩(断续)[mNm] | 20 | |||
※加装编码器时,旋转方向是相反的
CMS07-1707P 额定电压: 3.7V
| 减速比 | 4.7 | 22 | 105 | 494 |
|---|---|---|---|---|
| 额定扭矩[mNm] | 0.6 | 2 | 9 | 10 |
| 额定转速[rpm] | 3,380 | 698 | 144 | 36 |
| 无负载转速[rpm] | 4,040 | 838 | 173 | 38 |
| 无负载电流[mA] | 50 | 61 | 74 | 61 |
| 堵转扭矩[mNm] | 4 | 14 | 54 | 223 |
| 堵转电流[mA] | 571 | 571 | 571 | 571 |
CMS07-1714P 额定电压:3V
| 减速比 | 4.7 | 22 | 105 | 494 |
|---|---|---|---|---|
| 额定扭矩[mNm] | 0.6 | 2 | 9 | 10 |
| 额定转速[rpm] | 1,520 | 309 | 63 | 19 |
| 无负载转速[rpm] | 2,230 | 460 | 95 | 21 |
| 无负载电流[mA] | 28 | 34 | 38 | 34 |
| 堵转扭矩[mNm] | 2 | 7 | 27 | 110 |
| 堵转电流[mA] | 214 | 214 | 214 | 214 |
CMS07-1726P 额定电压:7.4V
| 减速比 | 4.7 | 22 | 105 | 494 |
|---|---|---|---|---|
| 额定扭矩[mNm] | 0.6 | 2 | 9 | 10 |
| 额定转速[rpm] | 3,600 | 739 | 151 | 39 |
| 无负载转速[rpm] | 4,380 | 906 | 186 | 41 |
| 无负载电流[mA] | 29 | 35 | 43 | 35 |
| 堵转扭矩[mNm] | 3 | 12 | 48 | 197 |
| 堵转电流[mA] | 283 | 283 | 283 | 283 |
订购时的型号名称
CMS07-1707+SPG07-4.7(4.71:1)的组合 → CMS07-1707P4.7
