技术参数
| 编码器 ELH07-3B | 编码器 EHM07-3B | ||
|---|---|---|---|
传感器 |
磁性 | ||
编码器类型 |
增量式 | ||
输出信号 |
TTL compatible | ||
通道数 |
3 | ||
分辨率(最大允许转速=25,000rpm)[pulse/rev] |
64 | ||
最大频率响应[kHz] |
55 | ||
供应电压(Vcc)[V] |
3.0~3.6 | 4.5~5.5 | |
电流消耗(通常)[mA] |
14 | ||
输出电压(H)[V] |
≧2.4(Max.Vcc) | ||
输出电压(L)[V] |
≦0.4 | ||
输出电流/通道[mA] |
4.0 | ||
| 信号上升时间/信号下降时间[ns] | Tr=60, Tf=60 | ||
惯量[gmm2] |
TBD | ||
运行温度范围[℃] |
-20~+85 | ||
储存温度範囲[℃] |
-20~+85 | ||
输出信号(马达轴顺时针旋转时)
输出信号信息
| 周期C[°e] | 360 |
| 脉冲P[°e] | 180 |
| A相B相位相差 φ[°e] | 90±45 |
| 逻辑宽幅S[°e] | 90±45 |
表示最大误差(±°e)
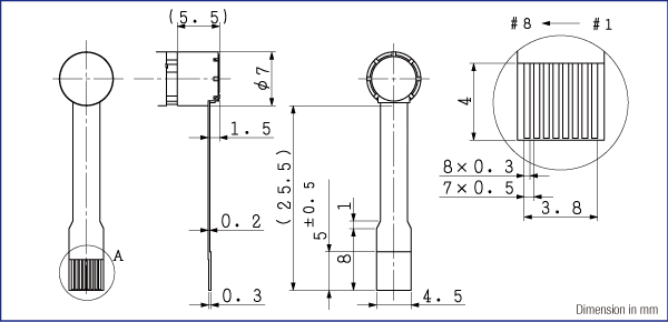
端子配列
| #1 | Vcc | DC3.0~3.6 / 4.5~5.5V |
| #2 | Ch.B | 兼容 |
| #3 | Ch.A | 兼容 |
| #4 | Ch.Z | 兼容 |
| #5 | GND | |
| #6 | Motor+ | Motor+※1 |
| #7 | Motor- | Motor-※1 |
| #8 | NC |
