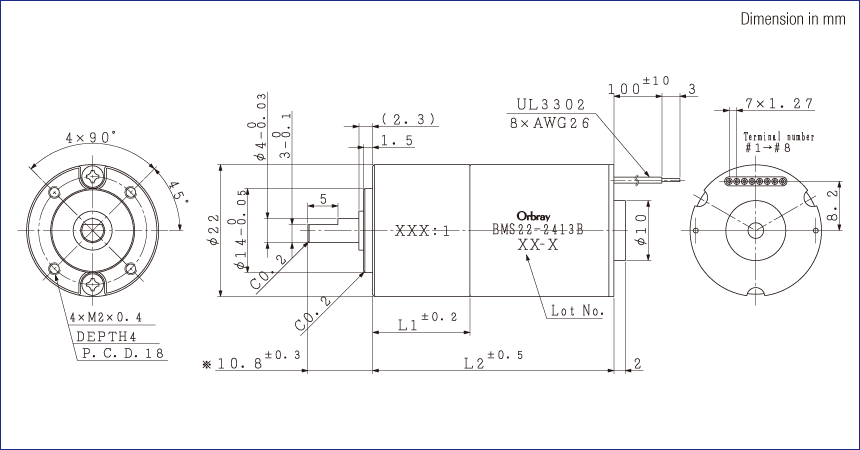
在高负载下具有出色的耐用性,可进行高扭矩传输的行星减速机PG22和无刷马达BMS22-24XX的组合。
PG22行星减速机+ BMS22-24XX(通用规格组合)
| 减速机 | 4 | 16 | 24 | 64 | 96 | 114 | 256 | 384 | 576 | 864 |
|---|---|---|---|---|---|---|---|---|---|---|
| 减速比(绝对值) | 4.00:1 | 16.00:1 | 24.00:1 | 64.00:1 | 96.00:1 | 114.00:1 | 256.00:1 | 384.00:1 | 576.00:1 | 864.00:1 |
| 阶数 | 1 | 2 | 2 | 3 | 3 | 3 | 4 | 4 | 4 | 4 |
| 效率[%] | 85 | 72 | 72 | 61 | 61 | 61 | 52 | 52 | 52 | 52 |
| 旋转方向 | = | = | = | = | = | = | = | = | = | = |
| 全長[mm] (马达+减速机=L2) |
37.1 | 40.2 | 40.2 | 43.3 | 43.3 | 43.3 | 46.6 | 46.6 | 46.6 | 46.6 |
| 全長[mm] (马达+减速机+编码器=L3) |
- | - | - | - | - | - | - | - | - | - |
| 重量[g] (马达+减速机) |
76 | 81 | 81 | 86 | 86 | 86 | 91 | 91 | 91 | 91 |
| 最大允许扭矩(连续)[mNm] | 49 | 74 | 74 | 98 | 98 | 98 | 123 | 196 | 294 | 392 |
| 最大允许扭矩(断续)[mNm] | 74 | 110 | 110 | 147 | 147 | 147 | 184 | 294 | 392 | 588 |
BMS22-2413BP 额定电压: 24V
| 减速机 | 4 | 16 | 24 | 64 | 96 | 114 | 256 | 384 | 576 | 864 |
|---|---|---|---|---|---|---|---|---|---|---|
| 额定扭矩[mNm] | 3 | 9 | 14 | 32 | 48 | 73 | 110 | 165 | 247 | 370 |
| 额定转速[rpm] | 2,881 | 720 | 480 | 180 | 120 | 80 | 45 | 30 | 20 | 13 |
| 无负载转速[rpm] | 2,958 | 739 | 493 | 185 | 123 | 82 | 46 | 31 | 21 | 14 |
| 无负载电流[mA] | 105 | 105 | 105 | 105 | 105 | 105 | 105 | 105 | 105 | 105 |
| 堵转扭矩[mNm] | 108 | 368 | 552 | 1,250 | 1,876 | 2,813 | 4,251 | 6,377 | 9,566 | 14,349 |
| 堵转电流[mA] | 1,846 | |||||||||
订购时的型号名称
BMS22-2413B + PG22-4(4.00:1)的组合 → BMS22-2413BP4B
