贵金属电刷,套筒轴承
马达样品制造时,请提供相应的小齿规格,或是指定小齿参数
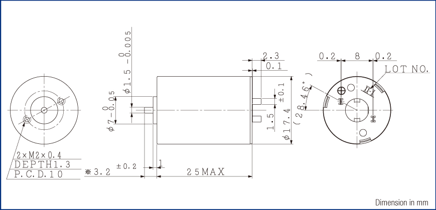
技术参数
| CRS17-2502 | CRS17-2505 | CRS17-2507 | |
|---|---|---|---|
| 额定电压[V] | 12 | 12 | 12 |
| 无负载转速[rpm] | 16,900 | 12,600 | 12,500 |
| 无负载电流[mA] | 40 | 24 | 23 |
| 堵转扭矩[mNm] | 39.97 | 21.30 | 15.26 |
| 堵转电流[mA] | 5,976 | 2,381 | 1,712 |
| 最大输出功率[W] | 17.7 | 7.0 | 5.0 |
| 最大效率[%] | 84 | 81 | 78 |
| 端子间电阻[Ω] | 2.01 | 5.04 | 7.01 |
| 额定扭矩[mNm] | 3.04 | 1.93 | 1.60 |
| 额定转速[rpm] | 15,600 | 11,400 | 11,200 |
| 额定电流[mA] | 492 | 237 | 200 |
| 摩擦扭矩[mNm] | 0.27 | 0.21 | 0.21 |
| 反电动势常数[mV/rpm] | 0.705 | 0.946 | 0.946 |
| 扭矩常数[mNm/A] | 6.73 | 9.04 | 9.04 |
| 转数/扭矩斜率[rpm/mNm] | 423 | 589 | 820 |
| 機械时间常数[ms] | 7.62 | 8.02 | 8.77 |
| 转子转动惯量[gcm2] | 1.72 | 1.30 | 1.02 |
| 最大允许扭矩[mNm] | 13.32 | 7.10 | 5.09 |
| 电感[mH] @1kHz | TBD | TBD | TBD |
| 热阻 Rth1(线圈-壳体间)[K/W] | TBD | TBD | TBD |
| 热阻 Rth2(壳体-外界空气间)[K/W] | TBD | TBD | TBD |
| 输出轴径向游隙[mm] | 0.05 | ||
| 输出轴轴向游隙[mm] | 0.03~0.3 | ||
| 输出轴最大径向负载[N] | TBD | ||
| 输出轴最大轴向负载[N] | TBD | ||
| 静止状态下输出轴最大轴向负载[N] | TBD | ||
| 运行温度范围[℃] | -20~+60 | ||
| 绕组最高温度[℃] | 80 | ||
| 重量[g] | 30 ※1 | ||
※1 未安装小齿轮时的重量
配列
| CRS17-2502 / CRS17-2505 / CRS17-2507 | ||
|---|---|---|
| #1 | +Terminal | Motor Vin (+) |
| #2 | -Terminal | Motor GND (-) |
特性图
小齿轮使用案例
| 模数 | 齿数 | 材质 | |
|---|---|---|---|
| Pinion A | 0.25 | 10 | SUS303 |
| Pinion B | 0.25 | 10 | C3604 |
| Pinion C | 0.25 | 11 | C3604 |
| Pinion D | 0.25 | 18 | C3604 |
| Pinion E | 0.30 | 10 | SUS303 |
| Pinion F | 0.30 | 10 | C3604 |
| Pinion G | 0.30 | 12 | SUS303 |
如您需要的规格不在上列,请提供与轴径匹配的小齿轮,或事先告知您所需的小齿轮规格。
