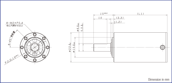
TR22 一般规格
| 减速机TR22 | |
|---|---|
| 运行温度范围[℃] | -10~+60 |
| 无负载状态下,每阶齿隙[°]※名义值 | ≦0.6 |
| 输出轴处轴承 | 烧结套筒轴承 |
| 输出轴最大径向负载(在距安装基准面4mm处)[N] | 100 |
| 输出轴最大轴向负载重[N] | 50 |
| 输出轴轴向最大静负载[N] | 30 |
| 输出轴径向游隙[mm] | ≦0.15 |
| 输出轴轴向游隙[mm] | ≦0.15 |
※TR22是直径为22mm的齿轮头
规格基于阶数
| 减速比 | 20※ | 112※ | 397※ |
|---|---|---|---|
| 減速比(絶対値) | 19.91:1 | 111.52:1 | 396.55:1 |
| 阶数 | 2 | 3 | 4 |
| 效率[%]※名义值 | 72 | 61 | 52 |
| 最大允许扭矩(连续)[mNm] | 3,000 | 3,000 | 3,000 |
| 最大允许扭矩(断续)[mNm] | 4,000 | 4,000 | 4,000 |
| 旋转方向 | = | = | = |
| 减速机长度[mm] | 33.4 | 39.6 | 45.8 |
| 重量[g] | 70 | 80 | 90 |
※非标准齿轮
