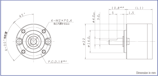
PG22 一般规格
| 减速机 PG22 | |
|---|---|
| 运行温度范围[℃] | -10~+60 |
| 无负载状态下,每阶齿隙[°] | ≦1 |
| 输出轴处轴承 | 球轴承 |
| 输出轴最大径向负载(在距安装基准面4mm处)[N] | 10 |
| 输出轴最大轴向负载重[N] | 5 |
| 输出轴轴向最大静负载[N] | 10 |
| 输出轴径向游隙[mm] | ≦0.25 |
| 输出轴轴向游隙[mm] | ≦0.30 |
※PG22是直径为16mm的齿轮头
规格基于阶数
| 减速比 | 4※ | 16※ | 24※ | 64※ | 96※ | 144※ | 256※ | 384※ | 576※ | 864※ |
|---|---|---|---|---|---|---|---|---|---|---|
| 減速比(絶対値) | 4.00:1 | 16.00:1 | 24.00:1 | 64.00:1 | 96.00:1 | 144.00:1 | 256.00:1 | 384.00:1 | 576.00:1 | 864.00:1 |
| 阶数 | 1 | 2 | 2 | 3 | 3 | 3 | 4 | 4 | 4 | 4 |
| 效率[%]※名义值 | 85 | 72 | 72 | 61 | 61 | 61 | 52 | 52 | 52 | 52 |
| 最大允许扭矩(连续)[mNm] | 49 | 74 | 74 | 98 | 98 | 98 | 123 | 196 | 294 | 392 |
| 最大允许扭矩(断续)[mNm] | 74 | 110 | 110 | 147 | 147 | 147 | 184 | 294 | 392 | 588 |
| 旋转方向 | = | = | = | = | = | = | = | = | = | = |
| 减速机长度[mm] | 13.1 | 16.2 | 16.2 | 19.3 | 19.3 | 19.3 | 22.4 | 22.4 | 22.4 | 22.4 |
| 重量[g] | 30 | 35 | 35 | 40 | 40 | 40 | 45 | 45 | 45 | 45 |
※非标准齿轮
